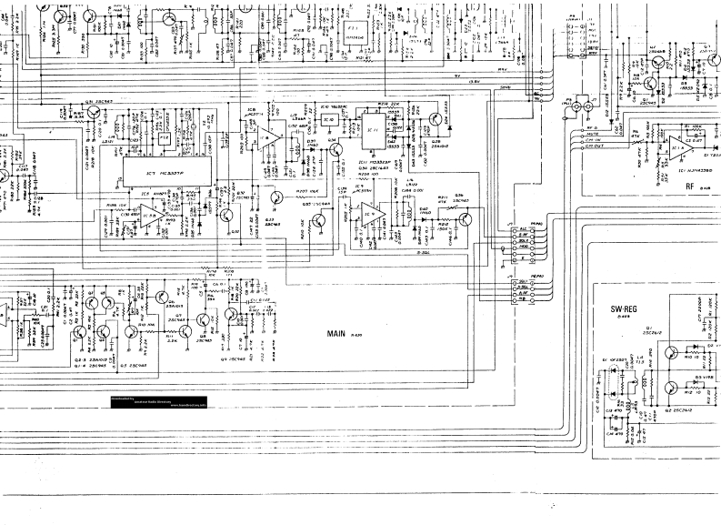
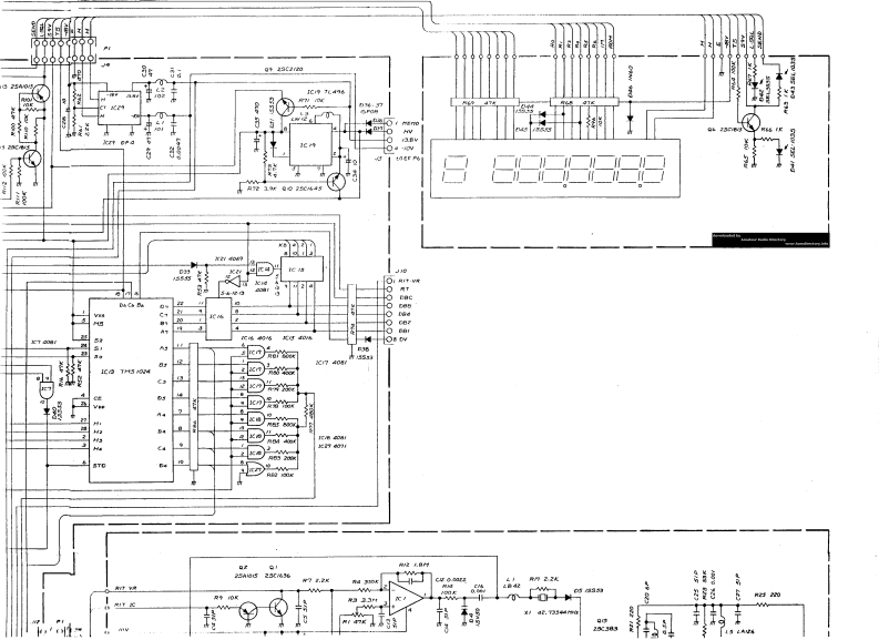
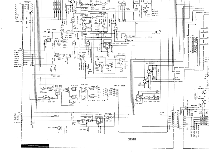
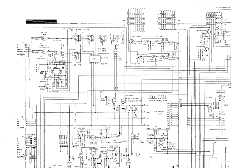
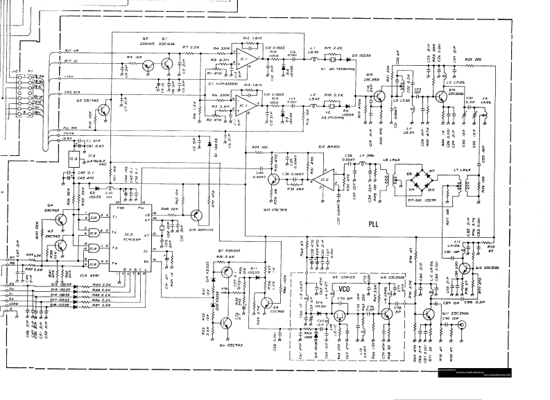
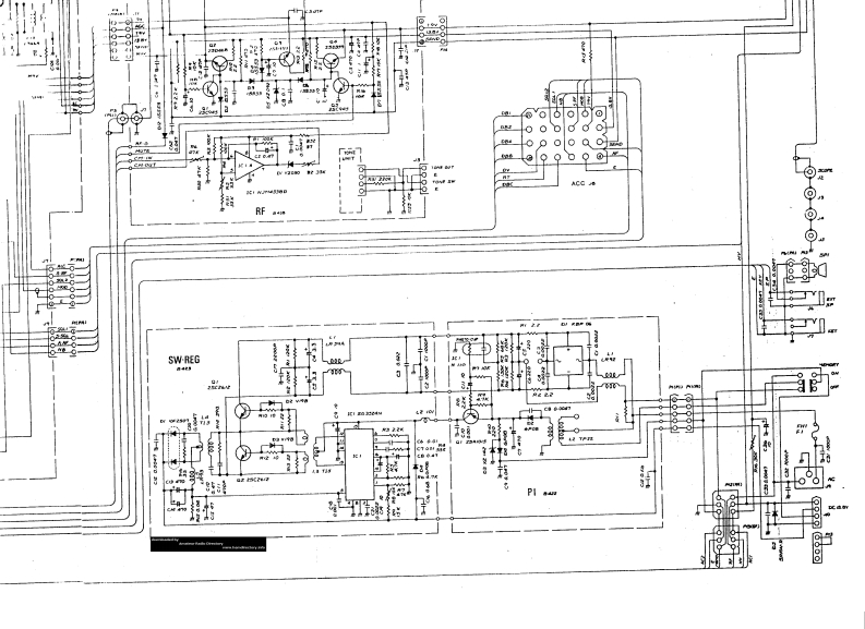
ICOM艾可慕IC451_电器原理图找手册网31天前发布关注私信0.74MB10页050ICOM艾可慕IC451_电器原理图此内容为付费资源,请付费后查看¥19¥21黄金会员免费钻石会员免费登录购买付费资源 第1页 / 共10页 第2页 / 共10页 第3页 / 共10页 第4页 / 共10页 第5页 / 共10页 第6页 / 共10页 第7页 / 共10页 第8页 / 共10页 第9页 / 共10页 第10页 / 共10页 已完成全部阅读,共10页 THE END艾可慕 文本预览 C-45ASCHEMATIC DIAGRAM41418TONEMC GAINk4,相:制EH 查看更多 收起部分 喜欢就支持一下吧收藏
请登录后查看评论内容