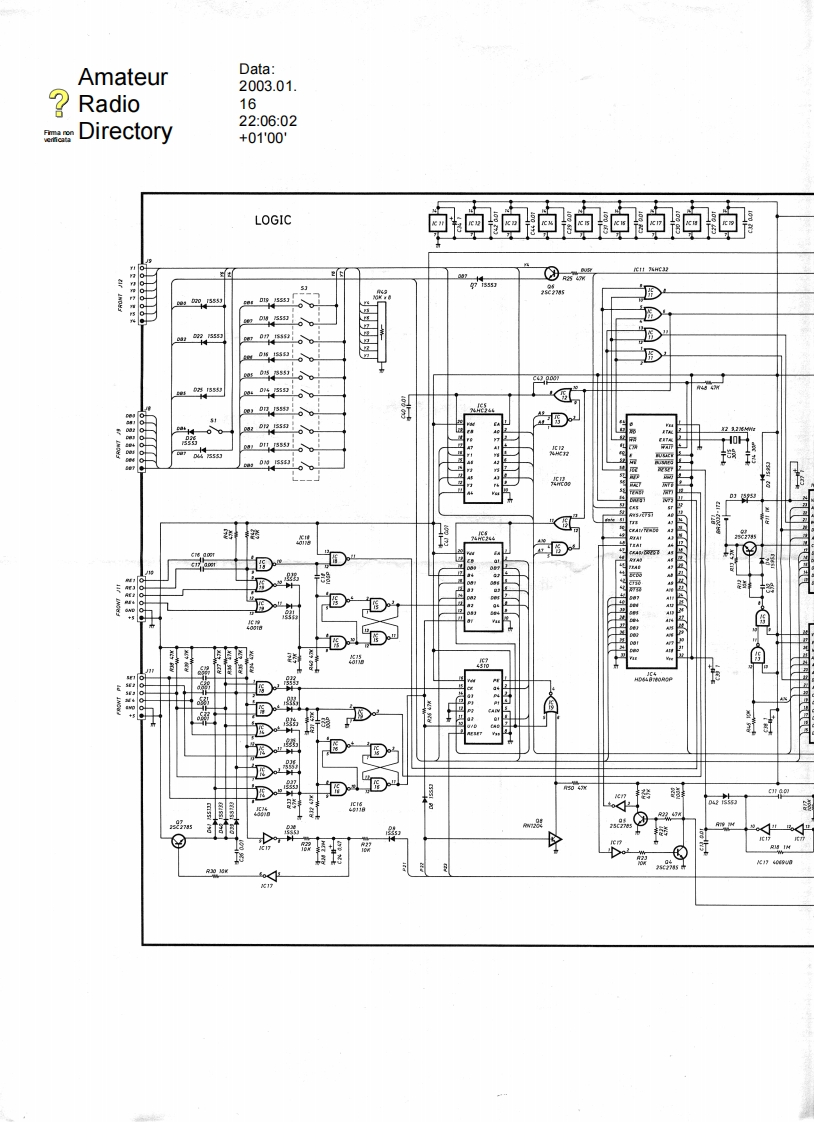
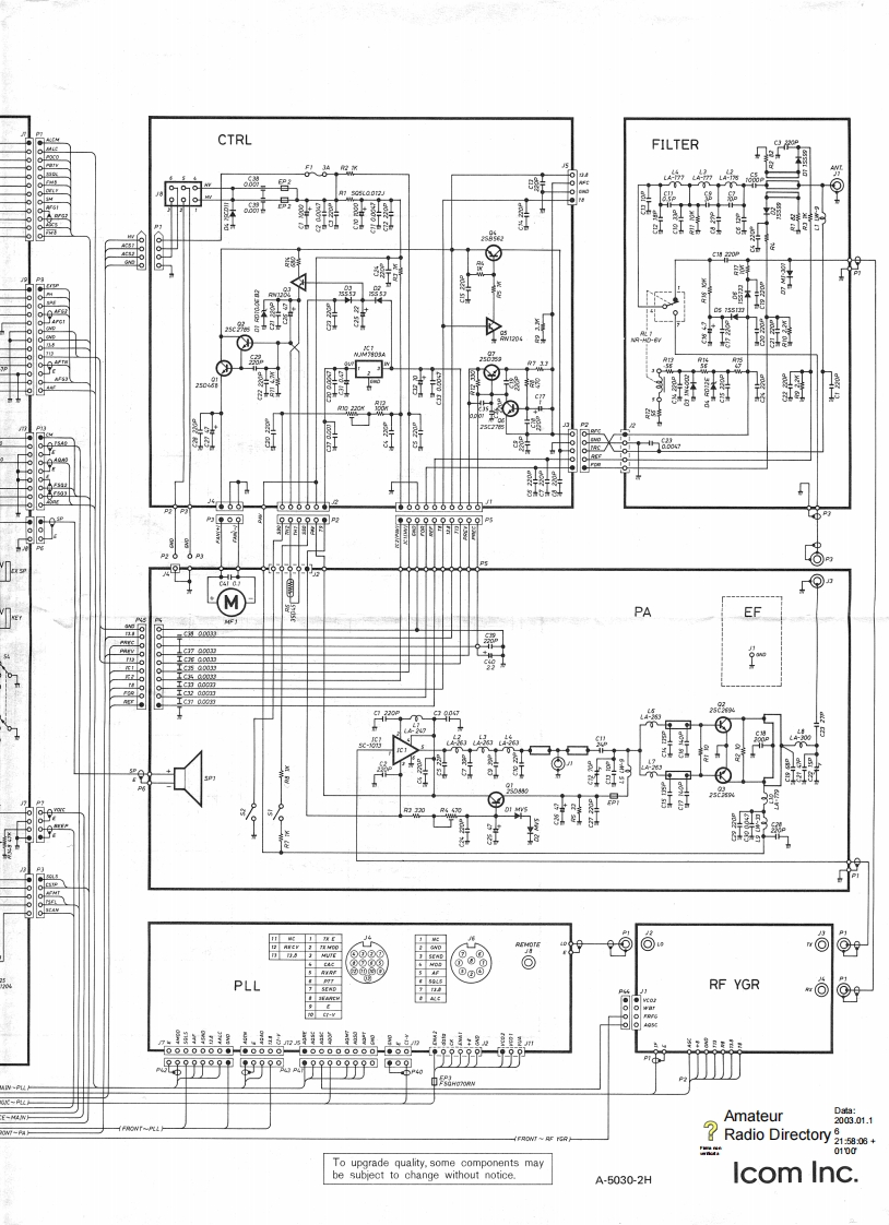
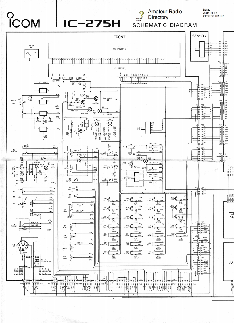
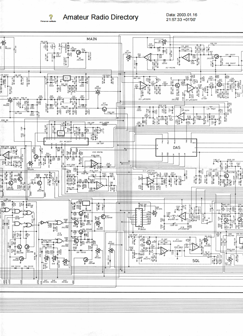
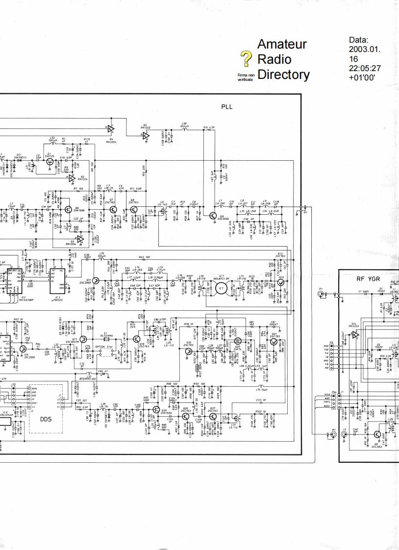
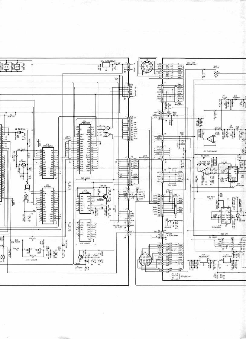
ICOM艾可慕IC-275H_电器原理图找手册网31天前发布关注私信8.53MB9页043ICOM艾可慕IC-275H_电器原理图此内容为付费资源,请付费后查看¥19¥21黄金会员免费钻石会员免费登录购买付费资源 第1页 / 共9页 第2页 / 共9页 第3页 / 共9页 第4页 / 共9页 第5页 / 共9页 第6页 / 共9页 第7页 / 共9页 第8页 / 共9页 第9页 / 共9页 已完成全部阅读,共9页 THE END艾可慕 文本预览 Amateur RadioData:2003.01.16iCOMDirectory2156:58+01001C-275HSCHEMATIC DIAGRAMFRONTSENSORDS)(P2LECN-A05272a5519c75器00E27张-AVOI 查看更多 收起部分 喜欢就支持一下吧收藏
请登录后查看评论内容