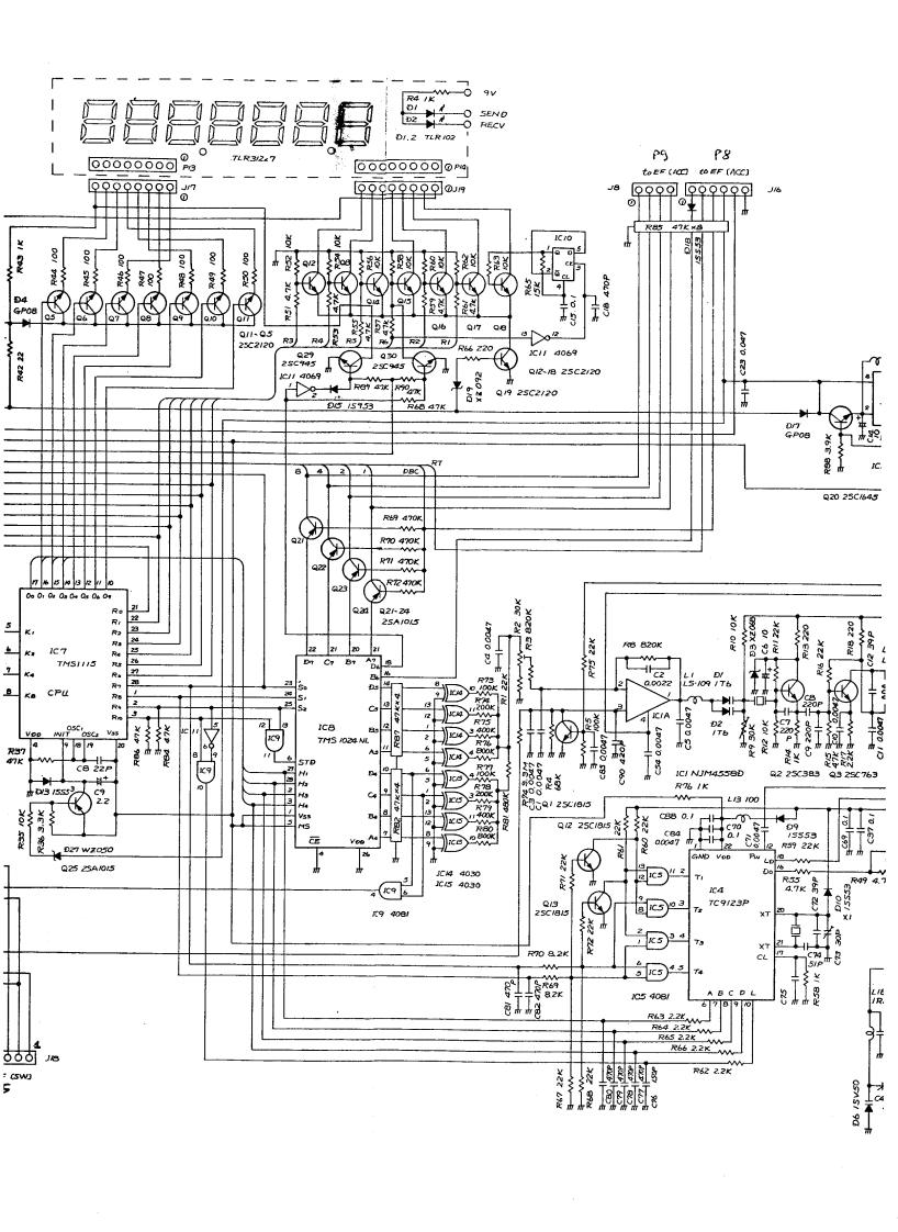
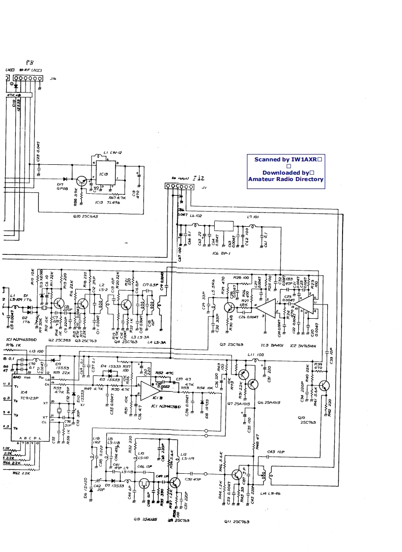
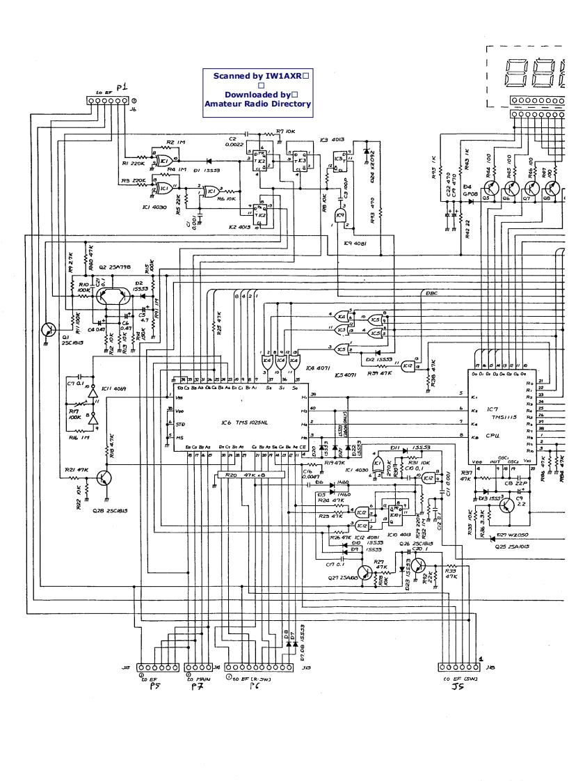
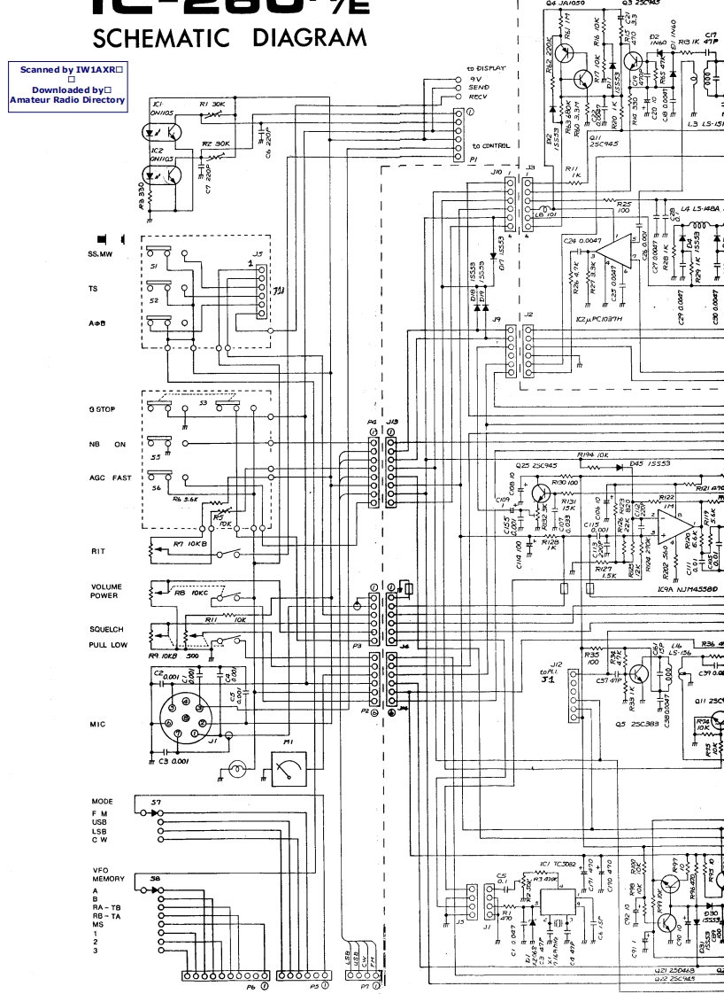
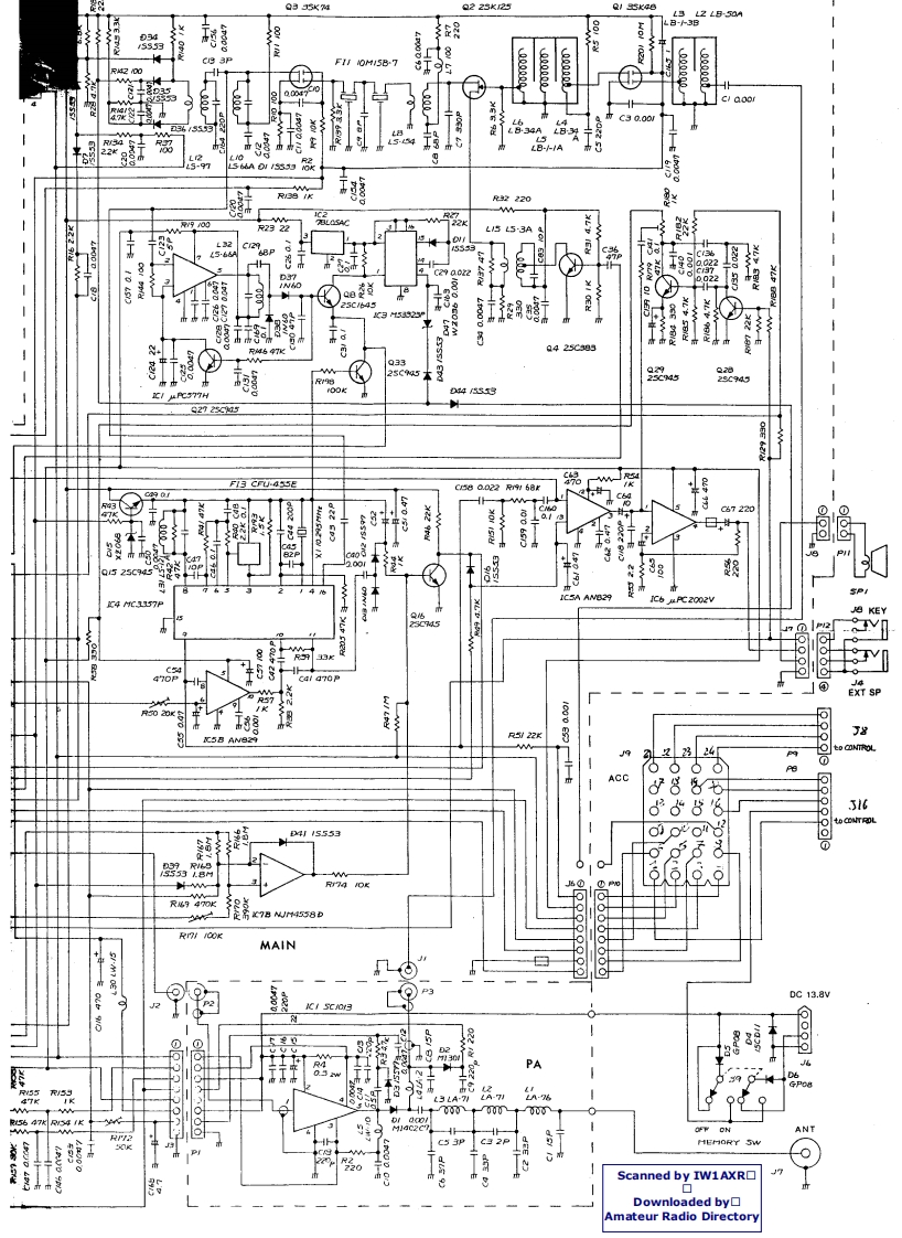
ICOM艾可慕IC260_电器原理图找手册网31天前发布关注私信0.54MB7页047ICOM艾可慕IC260_电器原理图此内容为付费资源,请付费后查看¥19¥21黄金会员免费钻石会员免费登录购买付费资源 第1页 / 共7页 第2页 / 共7页 第3页 / 共7页 第4页 / 共7页 第5页 / 共7页 第6页 / 共7页 第7页 / 共7页 已完成全部阅读,共7页 THE END艾可慕 文本预览 Scanned by IW1AXR▣Downloaded by▣Amateur Radio DirectorySECTION IXBLOCK DIAGRAM国一网国国明明闺痛实-34 查看更多 收起部分 喜欢就支持一下吧收藏
请登录后查看评论内容