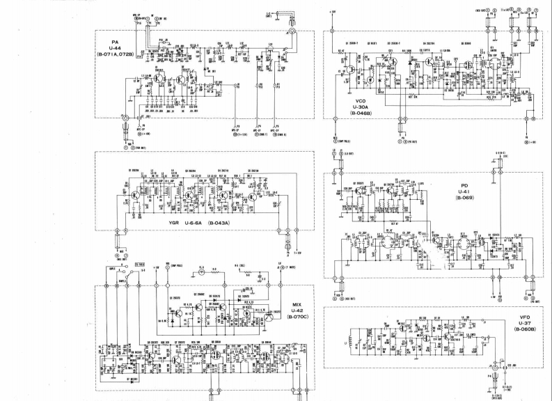
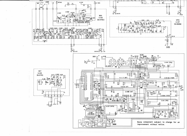
ICOM艾可慕IC-210_电器原理图找手册网31天前发布关注私信1.01MB4页051ICOM艾可慕IC-210_电器原理图此内容为付费资源,请付费后查看¥19¥21黄金会员免费钻石会员免费登录购买付费资源 第1页 / 共4页 第2页 / 共4页 第3页 / 共4页 第4页 / 共4页 已完成全部阅读,共4页 THE END艾可慕 文本预览 C-21▣配線☒APC·EP-45(OPTION)0-082IC-3PU08-073A]时F170a-008c1典U40(B:078AjIFU-2-3 查看更多 收起部分 喜欢就支持一下吧收藏
请登录后查看评论内容