ICOM艾可慕IC-207H_电器原理图

ICOM艾可慕IC-207H_电器原理图-找手册网
ICOM艾可慕IC-207H_电器原理图
此内容为付费资源,请付费后查看
1921
付费资源

第1页 / 共6页

第2页 / 共6页

第3页 / 共6页

第4页 / 共6页

第5页 / 共6页

第6页 / 共6页
已完成全部阅读,共6
THE END
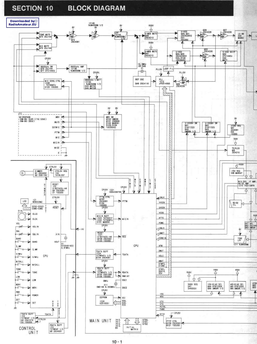
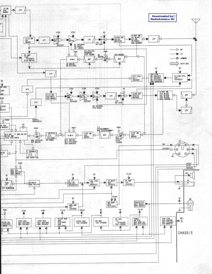
SECTION 10BLOCK DIAGRAMDownloaded by▣RadioAmateur.EU1/2964224222x2422T花144EU4558w1/2PLLSV LOOP FILMIC SENS.CTRLAEF OSCG4828C4116428WDMICINMICEDGT肚5EGTATBLOSFa-33Hwx-cTcse饰S品2201DLUDATTCVOLINCPUSV卓ONE IN辟BANDCPUAFMTDATA BUFFV/WHzTDATA6。V/WH:CPU6规6CPUSVW/CAL「0ATFTyP丽INT2222221BMz90-40o3已05C2CPUSVEEPROMESI4月SET56cs1BUFFTDATAMAIN UNIT价ROATA BUFF疆铝CONTROLINITIXUNIT10-1
喜欢就支持一下吧
评论 抢沙发

请登录后发表评论

    请登录后查看评论内容