ICOM艾可慕IC-32A_AT_E_电器原理图

ICOM艾可慕IC-32A_AT_E_电器原理图-找手册网
ICOM艾可慕IC-32A_AT_E_电器原理图
此内容为付费资源,请付费后查看
1921
付费资源

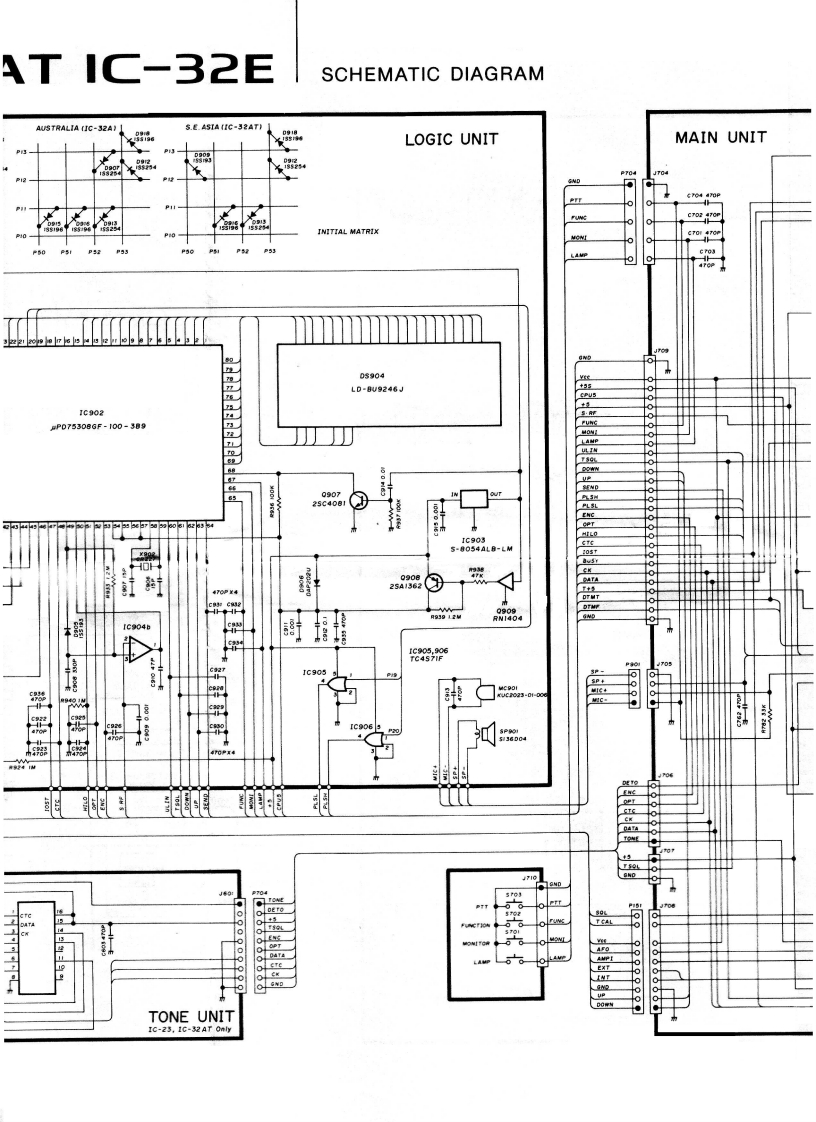
第1页 / 共9页

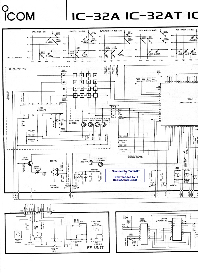
第2页 / 共9页

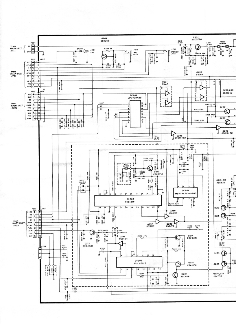
第3页 / 共9页

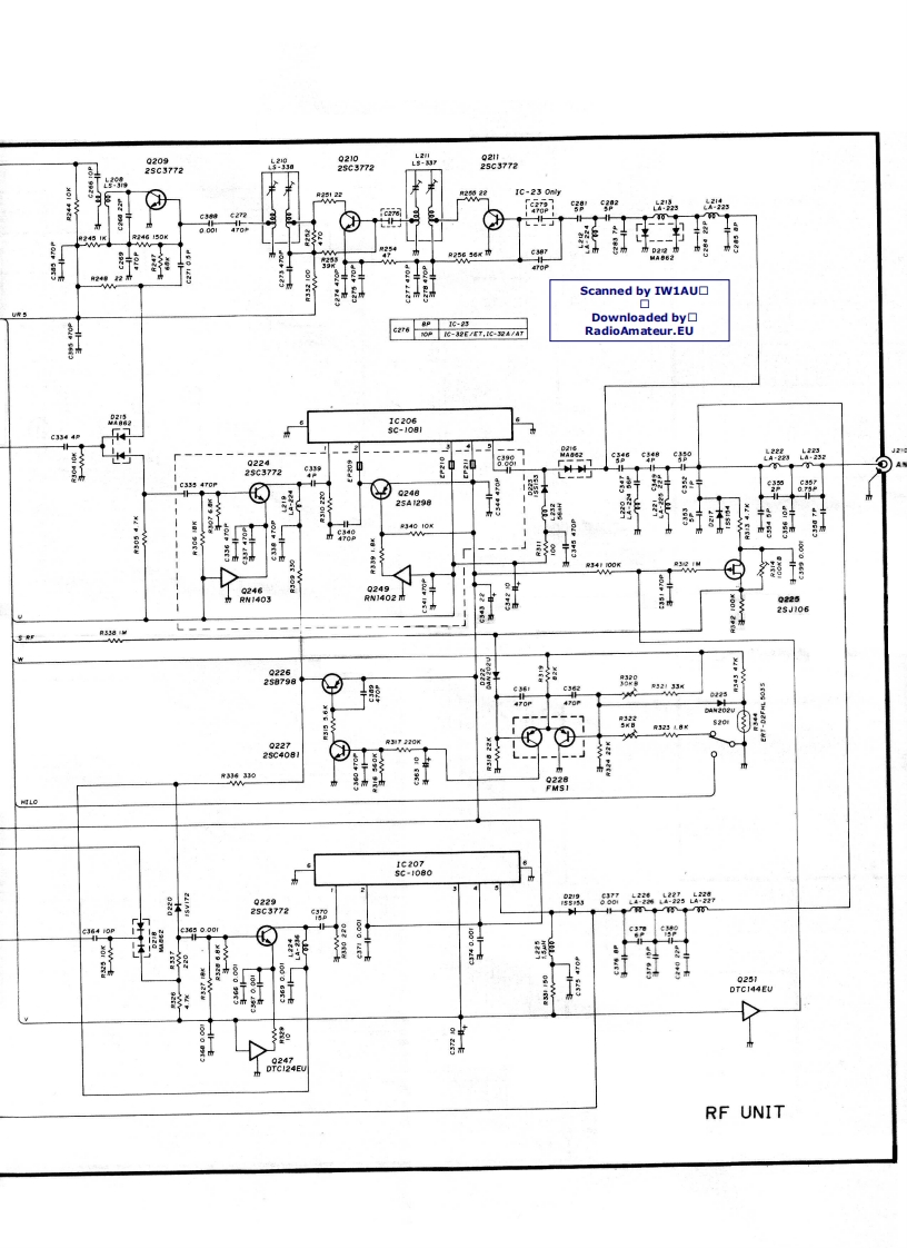
第4页 / 共9页

第5页 / 共9页

第6页 / 共9页

第7页 / 共9页

第8页 / 共9页

第9页 / 共9页
已完成全部阅读,共9
THE END
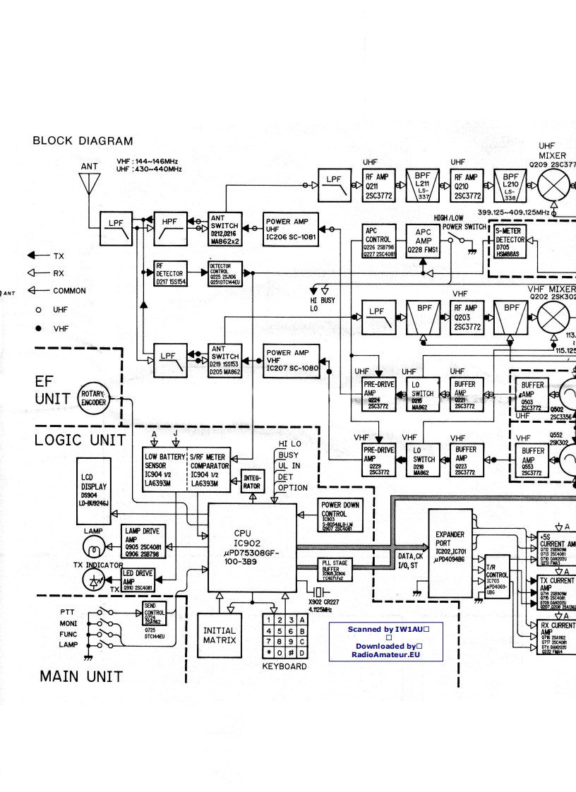
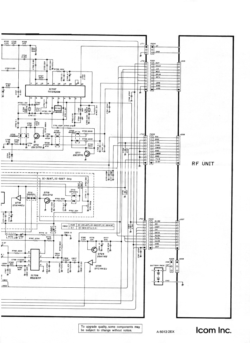
BLOCK DIAGRAMUHFMIXERANTVHF 144~146MHzUHFUHFQ2092sc377UHF:430✉440MHzLPFRF AMPBPFRF AMP0210210L2102SC37722SC37725■33B399.25409.125MHzdANTLPFHPFSWITCHPOWER AMPHIGH /LOWUHED22,D216APCPOWER SWITCH1APCS-METERIC206 SC-1081M4862x2CONTROLAMPDETECTOR0226258796一Tx02272sC40814—RXDETECIORD2175S54子-COMMONVHF MIXERANTVHFHI BUSY2202233020UHFLOLPFBPFRF AMPBPF0203●VHF2SC3772ANTLPFPOWER AMP115.125SWITCH02915S53VHFD205MA962IC207sC-1080UHFUHFUHFEFPRE-DRIVELOBUFFERBUFFERUNITROTARYAMPSWITCHAMPAMPENCODER02402s922237722SC3772UHF2C3356LOGIC UNITVHFVHFVHFVHF0552HI LOPRE-DRIVEBUFFERBUSYBUFFERLOW BATTERY S/RF METERAMPSWITCHAMPAMPSENSORCOMPARATORUL INLCDIC904 V2IC9041/2DETm022305532377229c3772INTEGDISPLAYLA6393MLA6393MRATOROPTIOND5904D-U9246JPOWER DOWNCONTROLLAMPLAMP DRIVE立ACPUEXPANDERAUO09052SC4081IC902PORTA09062987964PD75308GFDATA.CKC202,Ic701uP040948GTX INDICATOR100-3B9PLL STA1/0,STDT/RLED DRIVE立AAMPTX0元25c408MPAX902G227PTT4.25立AMONI123AScanned by IW1AU▣RX CURRENFUNCINITIAL456BLAMPMATRIX789gDownloaded byl▣⊙神DRadioAmateur.EUKEYBOARDMAIN UNIT
喜欢就支持一下吧
评论 抢沙发

请登录后发表评论

    请登录后查看评论内容