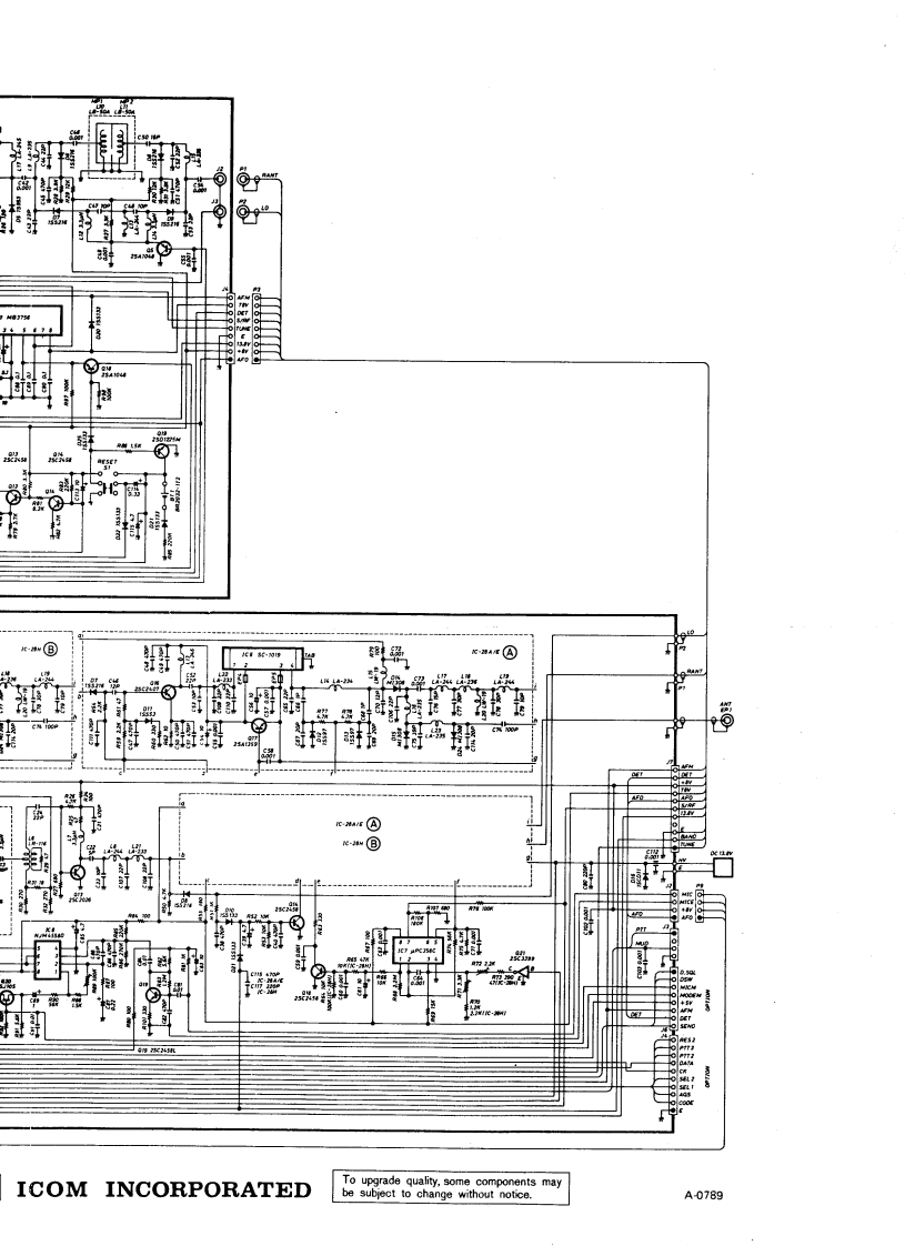
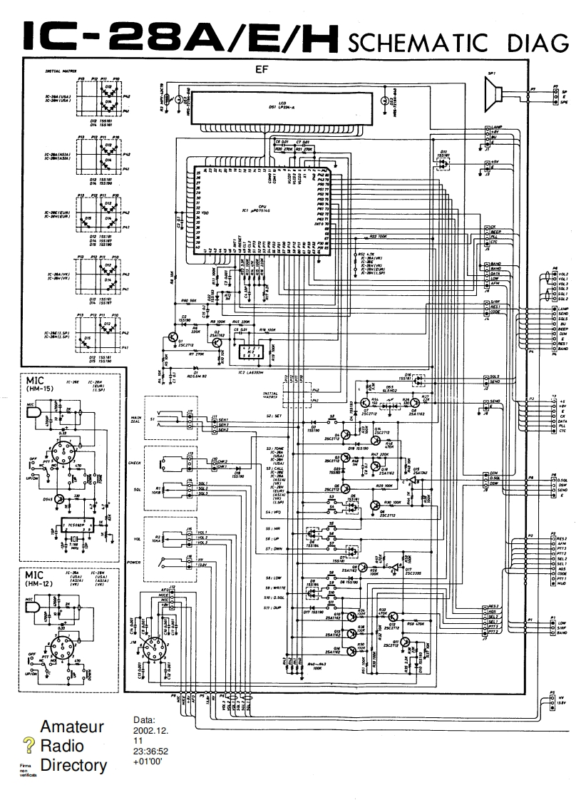
ICOM艾可慕IC-28A_E_H_电器原理图

ICOM艾可慕IC-28A_E_H_电器原理图-找手册网
ICOM艾可慕IC-28A_E_H_电器原理图
此内容为付费资源,请付费后查看
1921
付费资源

第1页 / 共4页

第2页 / 共4页

第3页 / 共4页

第4页 / 共4页
已完成全部阅读,共4
THE END
ICOM IC28Amateur Radio DirectoryDta:2002.12.1123:38:18+010003018MO1451D24024MBUFFERP-ASE25007形K1552t1022155e700660102DOWN+00140112201010CT918L020T57s2074OPTIONDIGITAL CODESOUELCHU5人An地wR8.12V化TONE SQUELCHEg4enw度&4WbG好5c7714050尾红T0h和001联uT一TWAT-REGENE/TLANSHIT
喜欢就支持一下吧
评论 抢沙发

请登录后发表评论

    请登录后查看评论内容