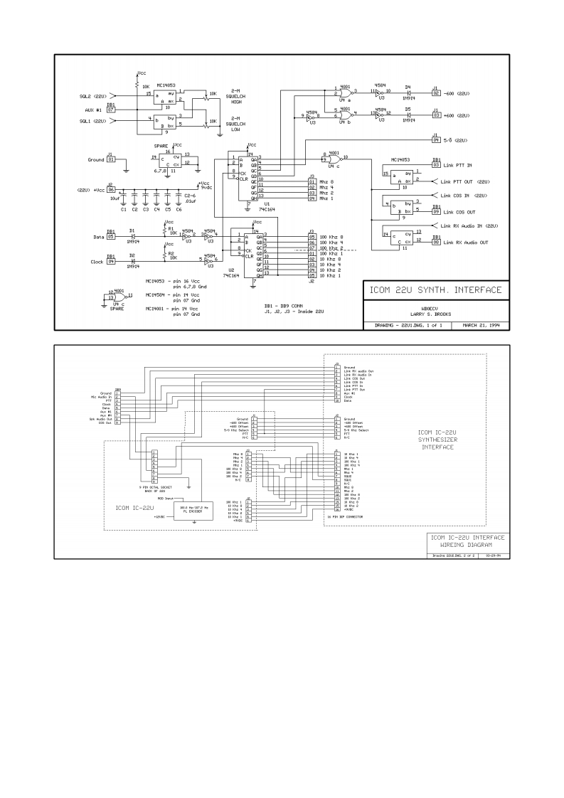
ICOM艾可慕IC-22U_IC-24E_G_电器原理图找手册网31天前发布关注私信9.04MB4页028ICOM艾可慕IC-22U_IC-24E_G_电器原理图此内容为付费资源,请付费后查看¥19¥21黄金会员免费钻石会员免费登录购买付费资源 第1页 / 共4页 第2页 / 共4页 第3页 / 共4页 第4页 / 共4页 已完成全部阅读,共4页 THE END艾可慕 文本预览 2224-24G111 查看更多 收起部分 喜欢就支持一下吧收藏
请登录后查看评论内容