ICOM艾可慕IC-2A_AT_E_电器原理图

ICOM艾可慕IC-2A_AT_E_电器原理图-找手册网
ICOM艾可慕IC-2A_AT_E_电器原理图
此内容为付费资源,请付费后查看
1921
付费资源

第1页 / 共5页

第2页 / 共5页

第3页 / 共5页

第4页 / 共5页

第5页 / 共5页
已完成全部阅读,共5
THE END
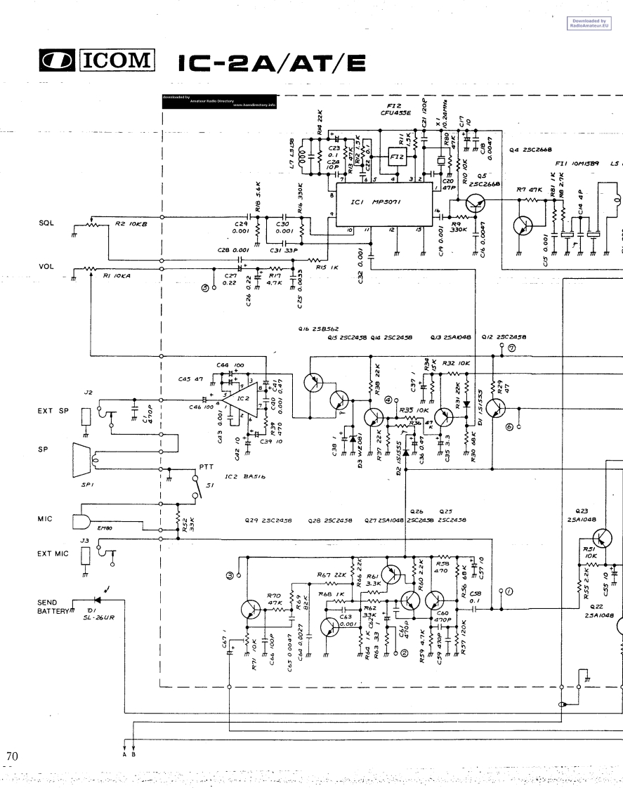
ICOMIC-2A/AT/EF12CFU4SSE2sc2468F1105B91是¥25C2668R747KSQLR2 10KBC29C300.00/c28a.001C313PVOL月50RI /OKAC27R/T0,224,7K8Q6258562Q/525C2458Q425C248Q325A04日2252a589⑦0C4410J2④EXTSPc46100尺35C390SPPTT●IC2 BA5I6Q2625Q23MICa292sC2a582823℃2458Q272540a82sC2153825C2a58254/0a8J3EXT MIC9③6R6722Kw3.3R681KM90SEND6R62Q72BAT TERYD/5L·26UR23A10480.0070A E
喜欢就支持一下吧
评论 抢沙发

请登录后发表评论

    请登录后查看评论内容