ICOM-IC-F50-IC-F51维修手册

ICOM-IC-F50-IC-F51维修手册-找手册网
ICOM-IC-F50-IC-F51维修手册
此内容为付费资源,请付费后查看
1921
付费资源

第1页 / 共57页

第2页 / 共57页

第3页 / 共57页

第4页 / 共57页

第5页 / 共57页

第6页 / 共57页

第7页 / 共57页

第8页 / 共57页

第9页 / 共57页

第10页 / 共57页
试读已结束,还剩47页,您可下载完整版后进行离线阅读
THE END
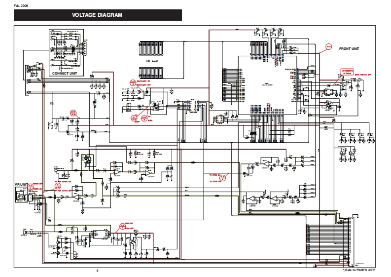
Feb.2008COMSERVICE MANUALADDENDUMIC-F50 IC-F51CONTENTSPARTS UST................................1BOARD LAYOUTS......·6VOLTAGE DIAGRAM...8
喜欢就支持一下吧
评论 抢沙发

请登录后发表评论

    请登录后查看评论内容