icom_tvr7100_使用说明书手册

icom_tvr7100_使用说明书手册-找手册网
icom_tvr7100_使用说明书手册
此内容为付费资源,请付费后查看
1921
付费资源

第1页 / 共3页

第2页 / 共3页

第3页 / 共3页
已完成全部阅读,共3
THE END
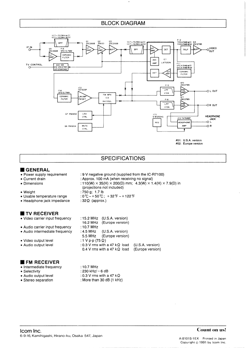
iCOMThank you for purchasing the TV-R7100 TV RECEIVEINSTRUCTIONSADAPTER.The TV-R7100 is an option unit for theIC-R7100 WIDEBAND RECEIVER.The TV-R7100TV/FM ADAPTERconverts TV signals received by the IC-R7100 to videosignals and outputs them to your TV set or videoTV-R7100recorder.The TV-R7100 also enables you to receive FMbroadcasts in stereo with stereo headphones or stereotape recorder.UNPACKINGQty.①①TV-月7100.…1:白当总2 Audio cable (OPC-112A).............13Video cable (OPC-162).......................②③■0☐卢PANEL DESCRIPTION■Front panel■Rear panel6⑦9cdINE OUTPOWERTV-R7100O HEADPHONE JACK [PHONES]⑨IF CABLE [IF INConnects your stereo headphones or earphone.Connects to the [IF OUT]jack of the IC-R7100.AUDIO LEVEL CONTROL [LEVEL]TV CONTROL CABLE [TV CONTROL]Adjusts the audio level output from the headphone jack.Connects to the [AGC]jack of the IC-R7100.③FM/TV SWITCH [FM/TV]VIDEO OUT JACK [VIDEO OUT]Selects the receive signal type:FM broadcasts or TVOutputs a video signal.broadcasts with ATV(amateur television).LINE OUT LEFT JACK [LINE OUT LEFT]O MUTING SWITCH [MUTING]-Outputs the left audio signal when receiving FM stereoCuts out noise when no signal is received in FM.broadcasts.STEREO INDICATOR-Outputs mono audio when receiving TV broadcasts,Lights up in green when receiving an FM stereo signal.ATV or FM mono broadcasts.G MODE SWITCH [MONO/STEREO]BLINE OUT RIGHT JACK [LINE OUT RIGHT]Selects the mode (stereo or mono)for receiving FM-Outputs the right audio signal when receiving FMbroadcasts.stereo broadcasts.When receiving TV audio signals,mono is selectedregardless of the mode switch setting.-Outputs mono audio when receiving TV broadcasts,ATV or FM mono broadcasts.⑦POWER INDICATORLights up in red when power is ON.⑧POWER SWITCH [POWER]Turns power ON and OFF.
喜欢就支持一下吧
评论 抢沙发

请登录后发表评论

    请登录后查看评论内容