icom_opc478_参考电器原理图手册_with_equivalents

icom_opc478_参考电器原理图手册_with_equivalents-找手册网
icom_opc478_参考电器原理图手册_with_equivalents
此内容为付费资源,请付费后查看
1921
付费资源

第1页 / 共1页
已完成全部阅读,共1
THE END
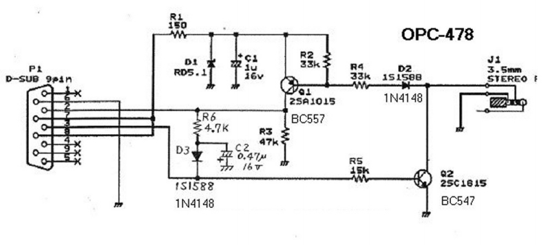
1OPC-478DI38kJiPiRD5,1R4D2D-SUB 9pin163k3.5mm15158日STEREO Fw25A10151N41481R6BC5574.7KR3D3c2.47w16rRS921S158825C16151N4148BC547
喜欢就支持一下吧
评论 抢沙发

请登录后发表评论

    请登录后查看评论内容