icom_icps25_使用说明书手册

icom_icps25_使用说明书手册-找手册网
icom_icps25_使用说明书手册
此内容为付费资源,请付费后查看
1921
付费资源

第1页 / 共2页

第2页 / 共2页
已完成全部阅读,共2
THE END
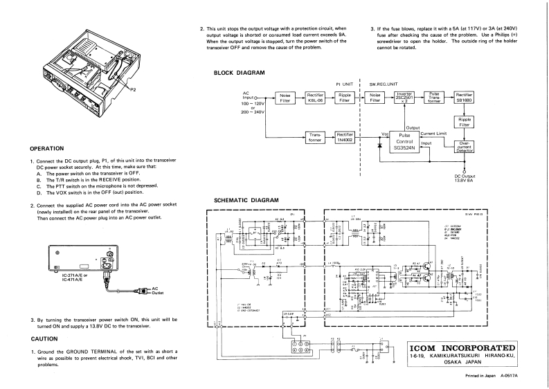
PREPARATION2.t中e power spply unit in和th时oh时sc解eICOMINSTRUCTION MANUALtow3d边e rear as shown in t价e illust打ton,and attach it to边eIC-PS25Befere performing any work on the set make sure that the powerchassis by the supplied screws.Pas the DC power connector,P1,through the hok which wasINTERNAL POWER SUPPLY UNITcord is unplugged fro=hen利er.cloped bry the PLATE (A)before.(DC13.8V 8A SWITCHING REGULATOR)Remove the top and bottom cowers by unsorewing the six screwseach on the top and bottom,and the two screws on eoch side.Takecare not to domage the internal speaker.and unplug its conneetor.This instruction manal gives descriptions and installation instructions for the optional power wpply unit for ICOM's base transceiwersIC-271A/E and IC-471A/E.It also provides information you roedwhile using them.Pea现ead all t价e instructions carefu重before installation so youwill get maximum pertormance and full value from the set.轻鞋胶酸SPECIFICATIONSNumber of SemiconductorsTransstor2e1D0金6Input Voltags110W220VAC5060HAllowable Voltage Flctuation±10%e4 input voltag别lsuitable lne voltagelInput Capocity230VA lat BA loadl3.Pass the DC power cable attached P1 through the hole of the ACOutput Valtage13.8V DC Negative groundP9 wer socket pl特移hown in the iuntration,then insert theMax,Load Current8A 110 mins ON/10 mins OFF]bushing into the hole.Dimentions207W.475(H0x92I0)mmAttach the AC power socket plate to the position where theWeightAppro%.10k每ASSEMBLY PROCEDUREPLATE (A)was attached before,by using the screws described inKit IncludedMain Unit11.Tum the upside down.Remove the 'PLATE (A]"1.so that the AC power socket is toward the bottom of the set.Power Sodket UnitAC Power Cordattached to the rear panel by the four.ThaseSpare Fusesscrews will be uted later.Installation SorewsSCREWS-PLATE IAL品4.Conneet P2 connoctor of the power supply unit with P2 of thepower sock时unit5.Connect the internal speaker connector and replace the bottomand top covers of the set.Plug P1 of the power supply unit to the DC power socket of theset.Unit
喜欢就支持一下吧
评论 抢沙发

请登录后发表评论

    请登录后查看评论内容