icom_hm103_参考电器原理图手册

icom_hm103_参考电器原理图手册-找手册网
icom_hm103_参考电器原理图手册
此内容为付费资源,请付费后查看
1921
付费资源

第1页 / 共1页
已完成全部阅读,共1
THE END
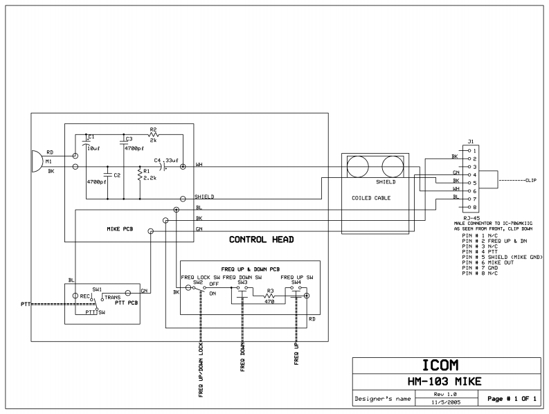
c331RD01g33ufK02H年M472pfSHIELD-----0IPSHIELD6COILED CABLE07GRJ-45MALE COMMENTOR TO IC-786MKIICMIKE PCBAS SEEN FROMFRONT,CLIP DOUNCONTROL HEADPINN/CPIN2FREO UP DNPINPIN年5SHIELD (MIKE CND)PINMIKE OUTFREQ UP DOWN PCBPIN年GNDPIN年BM/CFREO LOCK SW FREO DOWN SWFRED UP SWSH253SH4SWI①REcBK6 TRANSON④PTT PCB470RD是显ICOMHM-103 MIKEDesigner's nameRev 1.8115/2205Page 1 OF 1
喜欢就支持一下吧
评论 抢沙发

请登录后发表评论

    请登录后查看评论内容