icom_bc36_参考电器原理图手册

icom_bc36_参考电器原理图手册-找手册网
icom_bc36_参考电器原理图手册
此内容为付费资源,请付费后查看
1921
付费资源

第1页 / 共1页
已完成全部阅读,共1
THE END
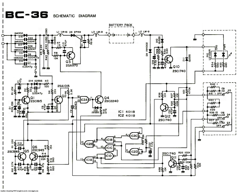
C-36SCHEMATICDIAGRAMBATTERY PACKL2 LW-9N4002LI LW-16 D6 2P4ML3 LW-9+0H----Q.C23N4C02Q0047DI7C24Q.0047全NN14002D3R8C61N400200047p多D4C7Q30.0047y25A9700102SC1740D141S1555R3◆R4225AI015ON5Q.0047yQ2Q42Sc815C2AC2240R39ICI 40IBR38151C240II日Q125412SC1740R727lOFFQ6影45052SC945R142SC1740R26 IOOKCIDQ1CIAR2410094中脑恐!
喜欢就支持一下吧
评论 抢沙发

请登录后发表评论

    请登录后查看评论内容