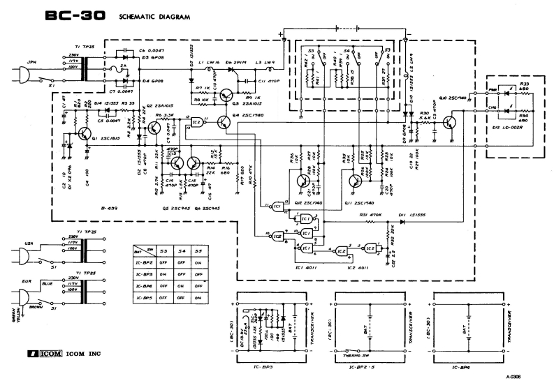
icom_bc30_参考电器原理图手册找手册网31天前发布关注私信0.87MB1页036icom_bc30_参考电器原理图手册此内容为付费资源,请付费后查看¥19¥21黄金会员免费钻石会员免费登录购买付费资源 第1页 / 共1页 已完成全部阅读,共1页 THE END艾可慕 文本预览 3C-3OSCHEMATIC DIAGRAMc&o.op4TD3年P08D4 GP08CT 0.0047泾缘4s对”03284怕56J3CS 0.0047适酵:858鲜QI 25C/740尔在39Q52c单459+Z3C445RI 4TOKDw1555554550K-BPZOFPON7P21IC-BAICOM ICOM INCIC.BP3e·8P2"5IC-BAgA006 查看更多 收起部分 喜欢就支持一下吧收藏
请登录后查看评论内容