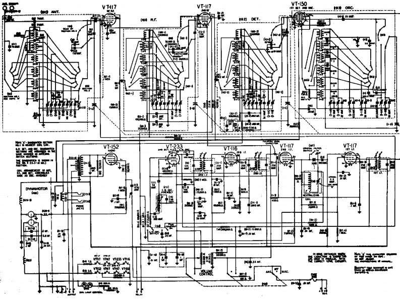
BC348-(Schematic电器原理图手册)找手册网31天前发布关注私信76.88KB1页026BC348-(Schematic电器原理图手册)此内容为付费资源,请付费后查看¥19¥21黄金会员免费钻石会员免费登录购买付费资源 第1页 / 共1页 已完成全部阅读,共1页 THE END艾可慕 文本预览 VT-H7T-501.轮g年004 R.F.是盈VT-152VT-116/T-7T厨公“骨南1旺 查看更多 收起部分 喜欢就支持一下吧收藏
请登录后查看评论内容