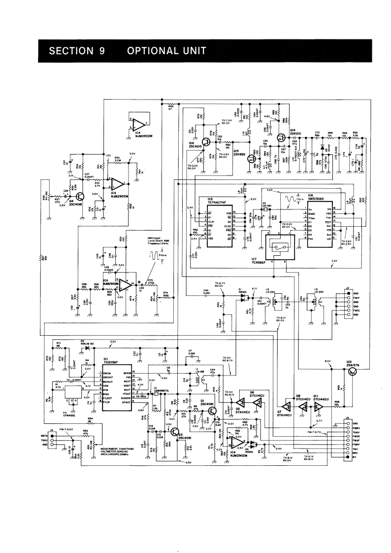
IC-707_UI-9_参考电器原理图找手册网31天前发布关注私信0.88MB2页028IC-707_UI-9_参考电器原理图此内容为付费资源,请付费后查看¥19¥21黄金会员免费钻石会员免费登录购买付费资源 第1页 / 共2页 第2页 / 共2页 已完成全部阅读,共2页 THE END艾可慕 文本预览 SECTION 9OPTIONAL UNIT是8☒8M2902M84ac4nv-,照88g8a4tU 查看更多 收起部分 喜欢就支持一下吧收藏
请登录后查看评论内容