IC-732M_S-IC-737_参考电器原理图_1992

IC-732M_S-IC-737_参考电器原理图_1992-找手册网
IC-732M_S-IC-737_参考电器原理图_1992
此内容为付费资源,请付费后查看
1921
付费资源

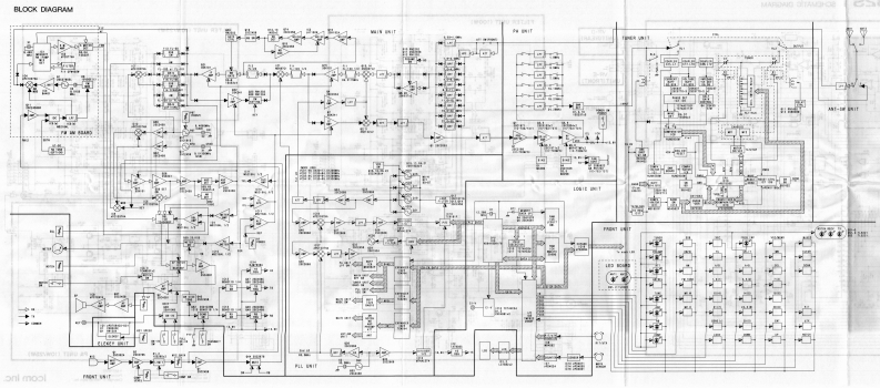
第1页 / 共9页

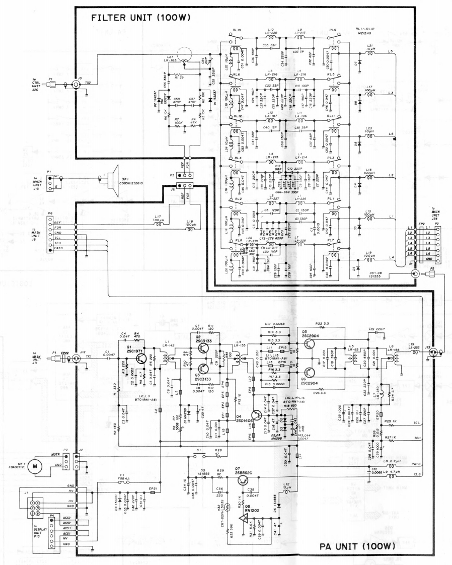
第2页 / 共9页

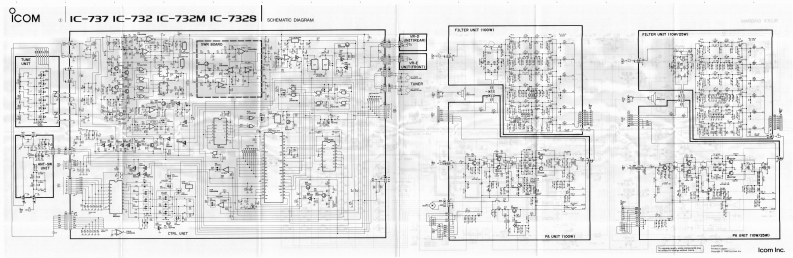
第3页 / 共9页

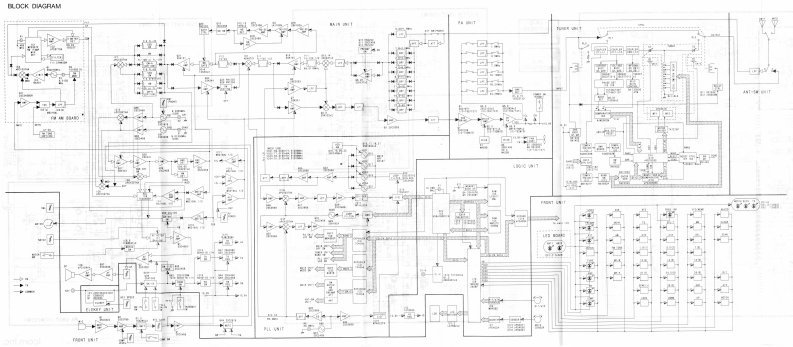
第4页 / 共9页

第5页 / 共9页

第6页 / 共9页

第7页 / 共9页

第8页 / 共9页

第9页 / 共9页
已完成全部阅读,共9
THE END
COM1c-7371C-7321C-732M1C-7328F飘验sF的准线南”1
喜欢就支持一下吧
评论 抢沙发

请登录后发表评论

    请登录后查看评论内容