ICOM艾可慕Icom_HM-133_V_serv维修手册含电器原理图

ICOM艾可慕Icom_HM-133_V_serv维修手册含电器原理图-找手册网
ICOM艾可慕Icom_HM-133_V_serv维修手册含电器原理图
此内容为付费资源,请付费后查看
1921
付费资源

第1页 / 共6页

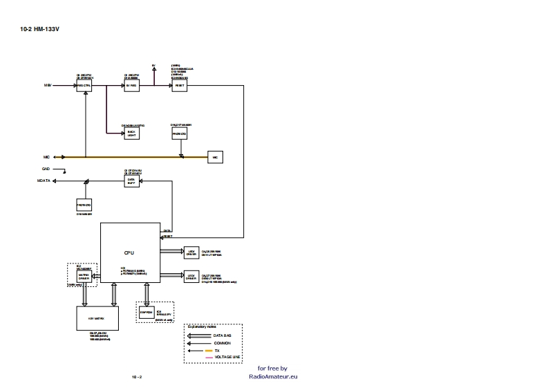
第2页 / 共6页

第3页 / 共6页

第4页 / 共6页

第5页 / 共6页

第6页 / 共6页
已完成全部阅读,共6
THE END
SECTION 11HM-133+EXPLODEDVEW209ELECTRICAL PARTSMAN UNIT]MAN-A UNITMAIN-A UN可C用P道⊙到2相到证器出出MPS C)■工到E8EERAEEEEEETTTTTTTTTTTDownloaded byRadioAmateur.EU+VOLTAGE DIAGRAMMECHANICAL PARTSCHASS3PART闾4gcn心鳞1111132MA-AUN可mn起立很4用G工DIM ENTIONSd可回可可单11-1
喜欢就支持一下吧
评论 抢沙发

请登录后发表评论

    请登录后查看评论内容