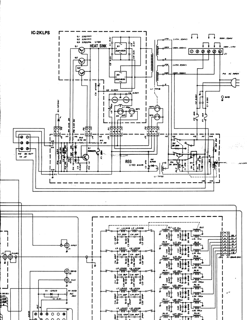
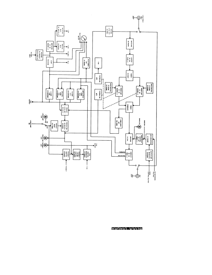
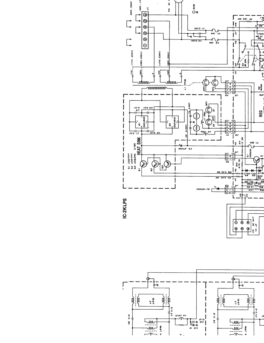
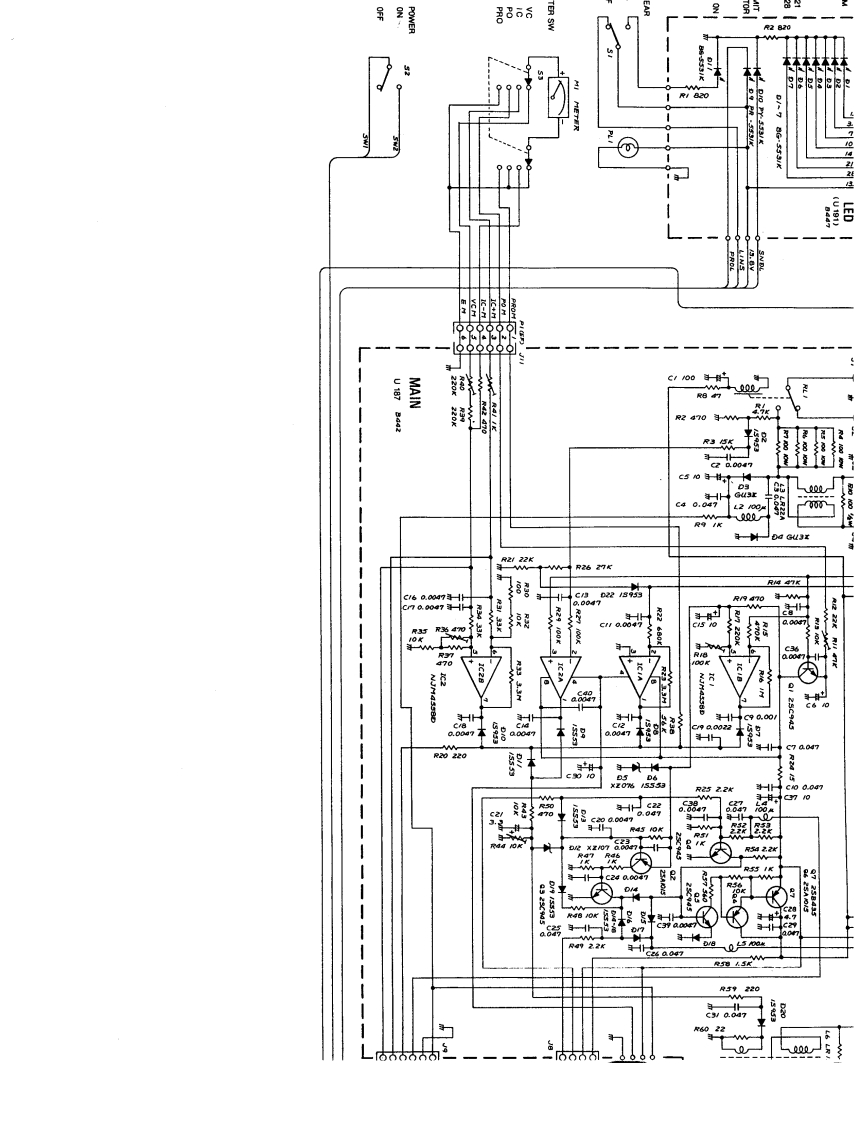
ICOM艾可慕Icom_IC-2KL_电器原理图找手册网31天前发布关注私信0.84MB7页029ICOM艾可慕Icom_IC-2KL_电器原理图此内容为付费资源,请付费后查看¥19¥21黄金会员免费钻石会员免费登录购买付费资源 第1页 / 共7页 第2页 / 共7页 第3页 / 共7页 第4页 / 共7页 第5页 / 共7页 第6页 / 共7页 第7页 / 共7页 已完成全部阅读,共7页 THE END艾可慕 文本预览 POWER8669NR2820201LPROMAINR2 470R3583上C40.07L20R9 IKR2627k8C/6 0.00477007a,004727220IC/Ba88c9a.00a.004790.0022e202283c00D6xE0%555R25228品c0.0047骨45we1a8篇Ra9之220C3 0.087602200尸5 查看更多 收起部分 喜欢就支持一下吧收藏
请登录后查看评论内容