ICOM艾可慕Icom_IC-4KL_serv维修手册含电器原理图

ICOM艾可慕Icom_IC-4KL_serv维修手册含电器原理图-找手册网
ICOM艾可慕Icom_IC-4KL_serv维修手册含电器原理图
此内容为付费资源,请付费后查看
1921
付费资源

第1页 / 共60页

第2页 / 共60页

第3页 / 共60页

第4页 / 共60页

第5页 / 共60页

第6页 / 共60页

第7页 / 共60页

第8页 / 共60页

第9页 / 共60页

第10页 / 共60页
试读已结束,还剩50页,您可下载完整版后进行离线阅读
THE END
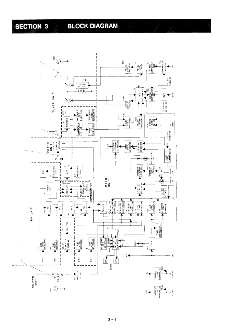
COMSERVICEMANUAL1 kW HF LINEAR AMPLIFIERC-4KLIcom Inc.
喜欢就支持一下吧
评论 抢沙发

请登录后发表评论

    请登录后查看评论内容