ICOM艾可慕Icom_IC-701PS_user操作说明书手册

ICOM艾可慕Icom_IC-701PS_user操作说明书手册-找手册网
ICOM艾可慕Icom_IC-701PS_user操作说明书手册
此内容为付费资源,请付费后查看
1921
付费资源

第1页 / 共3页

第2页 / 共3页

第3页 / 共3页
已完成全部阅读,共3
THE END
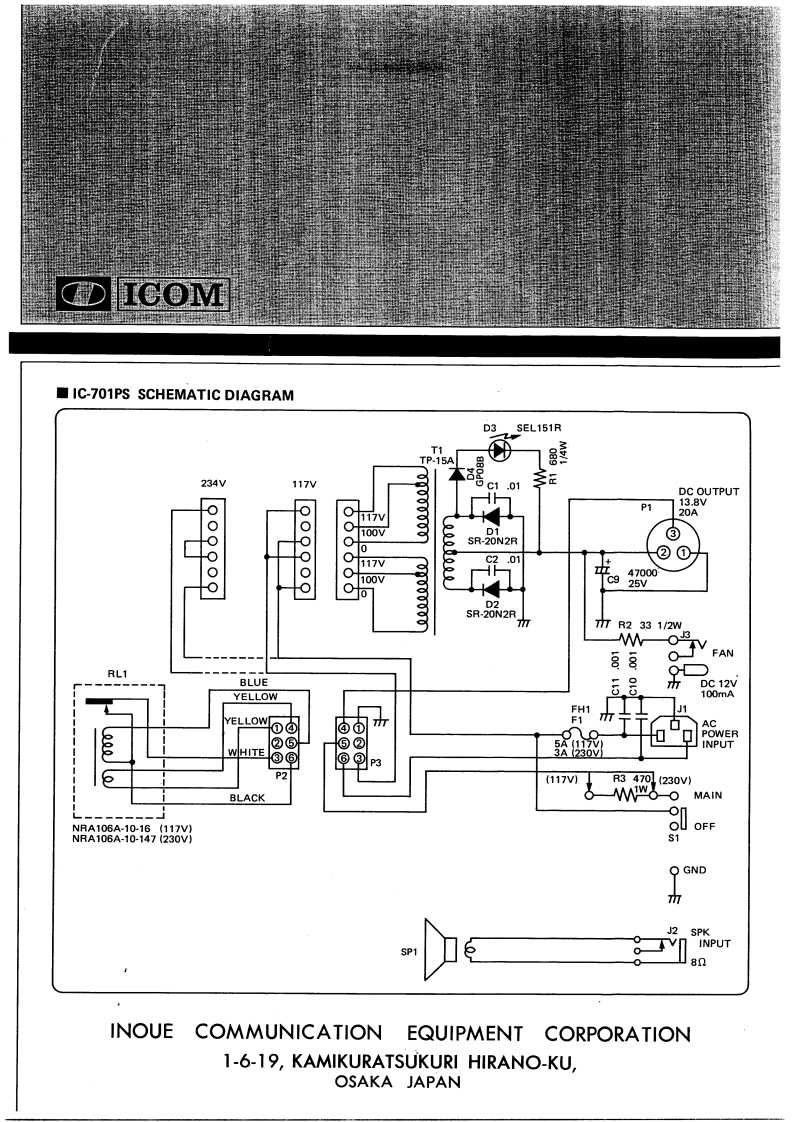
10-701PSAC POWER SUPPLYINSTRUCTION MANUAL兴"wDICOM
喜欢就支持一下吧
评论 抢沙发

请登录后发表评论

    请登录后查看评论内容