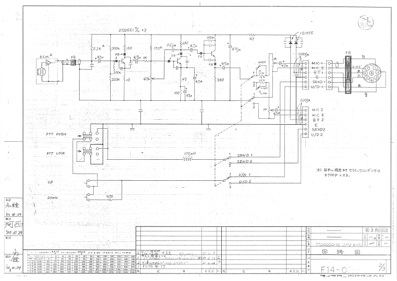
ICOM艾可慕Icom_SM维修手册含电器原理图-8_电器原理图

ICOM艾可慕Icom_SM维修手册含电器原理图-8_电器原理图-找手册网
ICOM艾可慕Icom_SM维修手册含电器原理图-8_电器原理图
此内容为付费资源,请付费后查看
1921
付费资源

第1页 / 共2页

第2页 / 共2页
已完成全部阅读,共2
THE END
T1.T2,T3=2S0631472x1N9141506805k100k39015010n47n470ULIE-11C-775,IC756T17MCN47n.7n4.7n14.7n147nLo3x1n③④'03010047nHLINE-247uMCN4.7nMCE3x1n9兰PTT7n70COMSM-8ECM●8m+DESK MICROPHONEPTTLOCKDOWNUPLINEMXH
喜欢就支持一下吧
评论 抢沙发

请登录后发表评论

    请登录后查看评论内容