

第1页 / 共29页

第2页 / 共29页

第3页 / 共29页

第4页 / 共29页

第5页 / 共29页

第6页 / 共29页

第7页 / 共29页

第8页 / 共29页

第9页 / 共29页

第10页 / 共29页
试读已结束,还剩19页,您可下载完整版后进行离线阅读
THE END
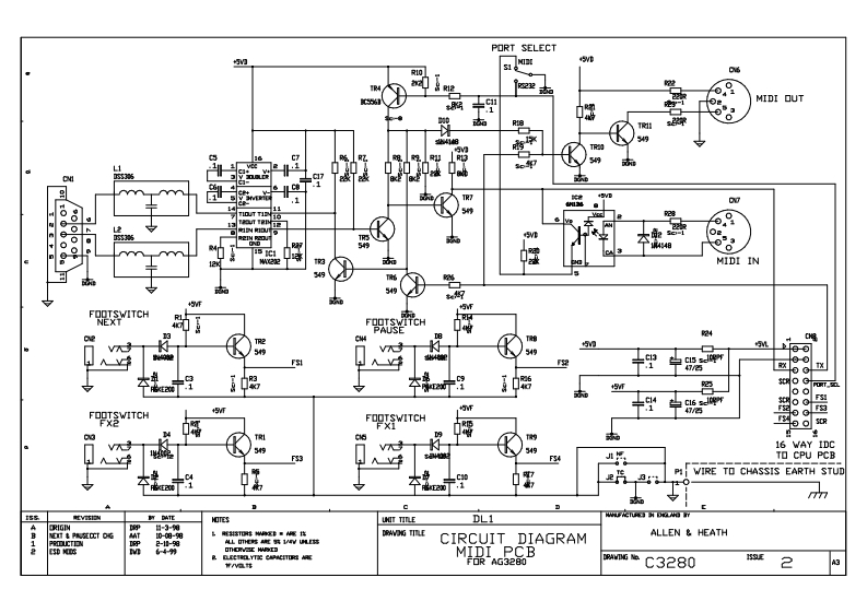
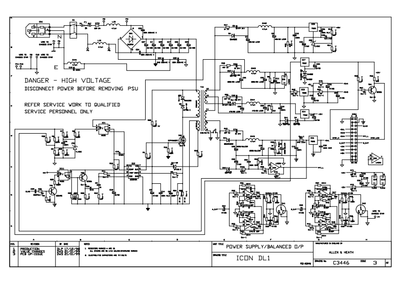
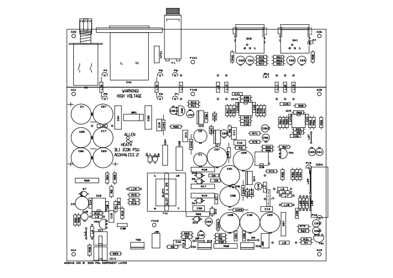
ALLEN&HEATHWARNING -HIGH VOLTAGESPower Supply Unit(PSU)work should onlybe carried out by qualified personnel.We recommend that you use an approved Allen Heathservice centre for all power supply work.Please contact your local Allen Heath distributor for more details.http://www.allen-heath.com/
请登录后查看评论内容