ICOM艾可慕ICR20找手册网31天前发布关注私信5.69MB70页045ICOM艾可慕ICR20此内容为付费资源,请付费后查看¥19¥21黄金会员免费钻石会员免费登录购买付费资源 第1页 / 共70页 第2页 / 共70页 第3页 / 共70页 第4页 / 共70页 第5页 / 共70页 第6页 / 共70页 第7页 / 共70页 第8页 / 共70页 第9页 / 共70页 第10页 / 共70页 试读已结束,还剩60页,您可下载完整版后进行离线阅读 THE END艾可慕 文本预览 icOm'SERVICEMANUALCOMMUNICATIONS RECEIVER1C-R20Radio Mods ManualsIcom Inc. 查看更多 收起部分 喜欢就支持一下吧收藏
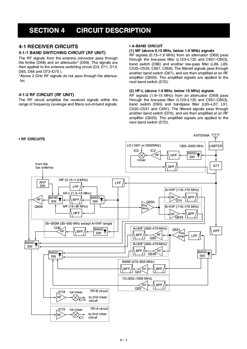
请登录后查看评论内容