

第1页 / 共14页

第2页 / 共14页

第3页 / 共14页

第4页 / 共14页

第5页 / 共14页

第6页 / 共14页

第7页 / 共14页

第8页 / 共14页

第9页 / 共14页

第10页 / 共14页
试读已结束,还剩4页,您可下载完整版后进行离线阅读
THE END
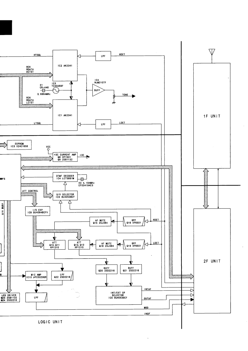
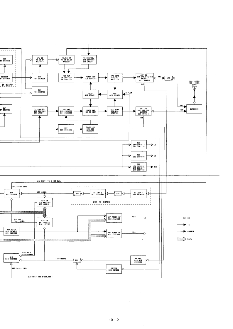
SECTION 10 BLOCK DIAGRAMDownloaded by☐▣Amateur Radio DirectoryHCTST网—◆-CONMONZ论DAIAOPTIONALUT-93CTCSS TONEENCODER/DECODERb期C特。。IC324CW58G0M1-4E61-522☒1c1H684g29A&a2222a2(CALL]1c1hn6639F5ZBBCCKB5KK818c5MATT CONTROL思1c78963osL1e9R6LED BACK L1GHT5E2p1043KEY MATRIX2-12a3Tm内自向向向自包回64B器6中应宙回)CTCSSICIMSGPW/V BUSY LEO煨LPFDISPLAY UNITKEY BOARD UNIT10-1
请登录后查看评论内容