

第1页 / 共58页

第2页 / 共58页

第3页 / 共58页

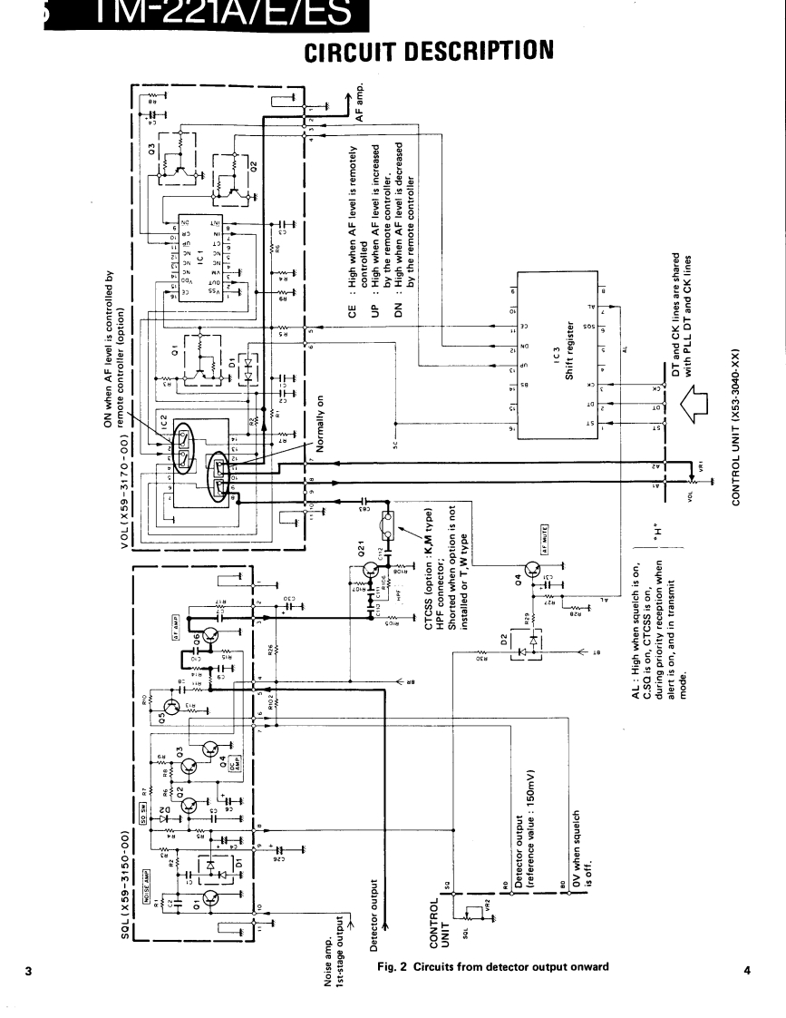
第4页 / 共58页

第5页 / 共58页

第6页 / 共58页

第7页 / 共58页

第8页 / 共58页

第9页 / 共58页

第10页 / 共58页
试读已结束,还剩48页,您可下载完整版后进行离线阅读
THE END
144MHz FM TRANSCEIVERTM-221A/E/ESKENWOODSERVICE MANUALC 1987-3 PRINTED IN JAPANB51-3217-00(0)1551Knob(Button】Metallic cabinet (Top)Knob (Button)(K29-3058-04}×3(A01.1021-03){K27.0496-04)×2Panel ass'y"Knob (VOL,SQL)Microphone*(A20-(K29-3061.041×2T91-):y6.970dnKnob (Main)Knob (Button)(K29-3060-041(K29-3070-04)Knob (Button)Knob (Button)*(K29-3069-04)(K29-)Knob (Button)*Refer to parts list on page 16.Knob (Button)1K29-3065-04)(K29-3067.04)Photo is TM-221A.CONTENTSCIRCUIT DESCRIPTION....................2S0L(X59-3150-00).·,.,,.,,,,·,·,·,····42SEMICONDUCTOR DATA12M1C(X59-3160-00)。。。。,。。。。。·……42DESCRIPTION OF ELEMENTS13V0L(X59-3170-00).····42PARTS LIST.··16FINAL UNIT (X45-1330-03)43EXPLODED VIEW..·········32FINAL UNIT (X45-1360-02)43PACKING.,,····33C0NTR0 L UNIT(X53-3040-XX).......,,·..44DISASSEMBLY········34TX-RX UNIT (X57-3060-XX)45ADJUSTMENT,·········35SCHEMATIC DIAGRAM.,·.,·.·····49PC BOARD VIEWSLEVEL DIAGRAM.,,.·.....·..·.·.53LCD ASS'Y(B38-0303-05).....,.····.··41BLOCK DIAGRAM···54VC0(X58-3090-00)...··41TERMINAL FUNCTIONS....······55DRVE(X59-3120-00)·.·.····41TSU5(CTCSS UNIT)....,·,··56APC(X593130-00)..,···…42SPECIFICATIONS................BACK COVER1F(X59-3140-00}············42
请登录后查看评论内容