编号75:建伍KENWOOD-MC-57DM-58DM_B51-8625-00维修图纸手册

编号75:建伍KENWOOD-MC-57DM-58DM_B51-8625-00维修图纸手册-找手册网
编号75:建伍KENWOOD-MC-57DM-58DM_B51-8625-00维修图纸手册
此内容为付费资源,请付费后查看
1921
付费资源

第1页 / 共5页

第2页 / 共5页

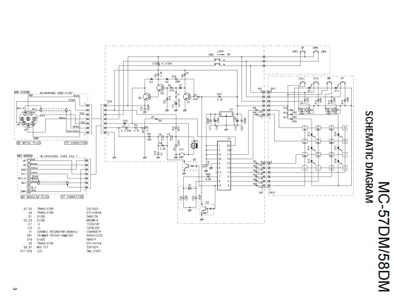
第3页 / 共5页

第4页 / 共5页

第5页 / 共5页
已完成全部阅读,共5
THE END
KENWOODDocument CopyrightsCopyright 2006 by Kenwood Corporation.All rights reserved.No part of this manual may be reproduced,translated,distributed,or transmitted in anyform or by any means,electronic,mechanical,photocopying,recording,or otherwise,forany purpose without the prior written permission of Kenwood.DisclaimerWhile every precaution has been taken in the preparation of this manual,Kenwoodassumes no responsibility for errors or omissions.Neither is any liability assumed fordamages resulting from the use of the information contained herein.Kenwood reservesthe right to make changes to any products herein at any time for improvement purposes.
喜欢就支持一下吧
评论 抢沙发

请登录后发表评论

    请登录后查看评论内容