

第1页 / 共41页

第2页 / 共41页

第3页 / 共41页

第4页 / 共41页

第5页 / 共41页

第6页 / 共41页

第7页 / 共41页

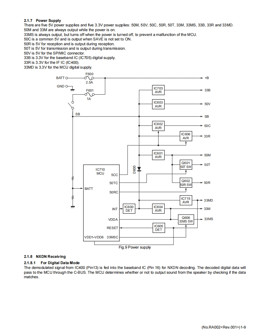
第8页 / 共41页

第9页 / 共41页

第10页 / 共41页
试读已结束,还剩31页,您可下载完整版后进行离线阅读
THE END
KENWOODSERVICE MANUALVHF DIGITAL TRANSCEIVERNX-240,NX-240V)KENWOODNoteLead free solder used in the board(material:Sn,Ag.In,Bi,melting point:227 Centigrade)TABLE OF CONTENTS1PRECAUTION.....142SPECIFICSERVICEINSTRUCTIONS......................................................1-4DISASSEMBLY…1-134ADJUSTMENT ...TROUBLESHOOTING.........…1-16..........1-20LFThis product complies with the RoHS directive for the European market.This product uses Lead Free solder.B53-7066-00COPYRIGHT 2013 JVC KENWOOD CorporationNo.RA0022013/8
请登录后查看评论内容