

第1页 / 共42页

第2页 / 共42页

第3页 / 共42页

第4页 / 共42页

第5页 / 共42页

第6页 / 共42页

第7页 / 共42页

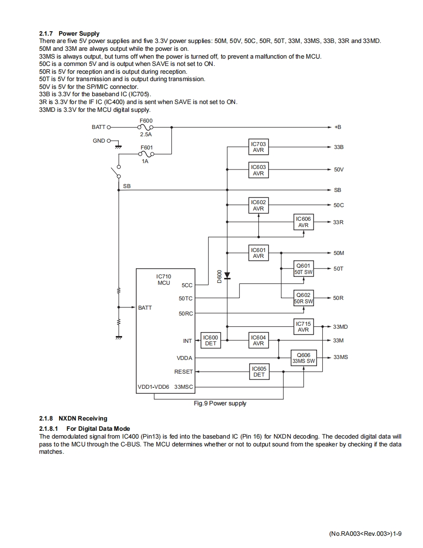
第8页 / 共42页

第9页 / 共42页

第10页 / 共42页
试读已结束,还剩32页,您可下载完整版后进行离线阅读
THE END
KENWOODSERVICE MANUALUHF DIGITAL TRANSCEIVERNX-340,NX-340(U)KENWOOD⊙Note:Lead free solder used in the board(material:Sn,Ag.In,Bi,melting point:227 Centigrade)TABLE OF CONTENTS1PRECAUTION.....SPECIFIC SERVICE INSTRUCTIONS......................................................1-4DISASSEMBLY1-13gADJUSTMENT1-16TROUBLESHOOTING...1-20REVISEDIIThis service manual has been revised due to the addition of NX-340 type K2,P,M2,M3and NX-340(U)type K2.LF)LFThis product complies with the RoHS directive for the European market.This product uses Lead Free solderB5B-7102-10COPYRIGHT 2014 JVC KENWOOD CorporationNo.RA0032014/3
请登录后查看评论内容