

第1页 / 共97页

第2页 / 共97页

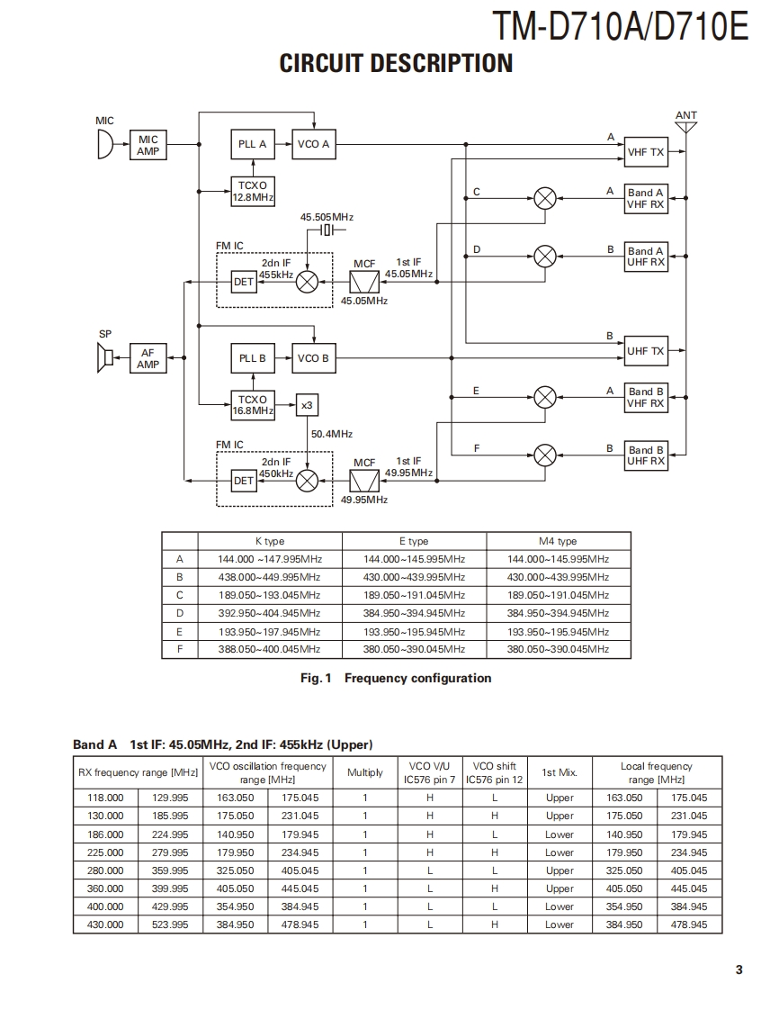
第3页 / 共97页

第4页 / 共97页

第5页 / 共97页

第6页 / 共97页

第7页 / 共97页

第8页 / 共97页

第9页 / 共97页

第10页 / 共97页
试读已结束,还剩87页,您可下载完整版后进行离线阅读
THE END
144/430(440)MHz FM DUAL BANDERTM-D710A/D710EKENWOODKenwood CorporationSERVICE MANUAL2007-8 PRINTED IN JAPANB51-8801-00(N)281This service manual details the panel section.Refer to the TM-V71AN71E service manual(B51-8791-00)for any information which hasnot been covered in this TM-D710A/D710EMicrohoneservice manual.(T91-0657-25)Front glassPanel (Display)(Display)KENWOOD FM DUAL BANDER TM-D710(A62.1159-01)(B10-2782-12)12:82BCONFM PT CTRLFM★Button knob月t1anta999Button knob(3KEYS-L)PM(3KEYS-R)(K29-9410-02)MR]144.390448.525(K29-9411-02)INCKEYMSG LIST BCON POS PMONKnob (SQL)K29-9380-03)x2Knob (ENC)(K29-9409-03)Knob (VOL)(K29-9377-03)×2Button knob(7KEYS)Metallic cabinet(K29-9412-02)(A01-2206-22)KENWOODPanel (Main unit)1A62-1157-01)Modular cable(4m)(E30-7639-05)Photo is TM-D710A.CONTENTSCIRCUIT DESCRIPTION..................2PC BOARDSEMICONDUCTOR DATA..................6DISPLAY UNIT (X54-3620-00).....................52COMPONENTS DESCRIPTION.......9TX-RX UNIT (X57-731X-XX).............5.6TERMINAL FUNCTION....10INTERCONNECTION DIAGRAM.............64PARTS LIST...........12SCHEMATIC DIAGRAM...................66EXPLODED VIEW........29BLOCK DIAGRAM.....80PACKING.…30LEVEL DIAGRAM......82ADJUSTMENT.….31OPTIONAL ACCESSORIES................84SPECIFICATIONS..85Downloaded byLFThis product complies with the RoHS directive for the European market.RadioAmateur.EUThis product uses Lead Free solder.
请登录后查看评论内容