

第1页 / 共58页

第2页 / 共58页

第3页 / 共58页

第4页 / 共58页

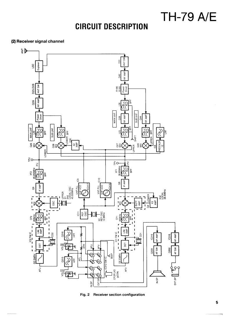
第5页 / 共58页

第6页 / 共58页

第7页 / 共58页

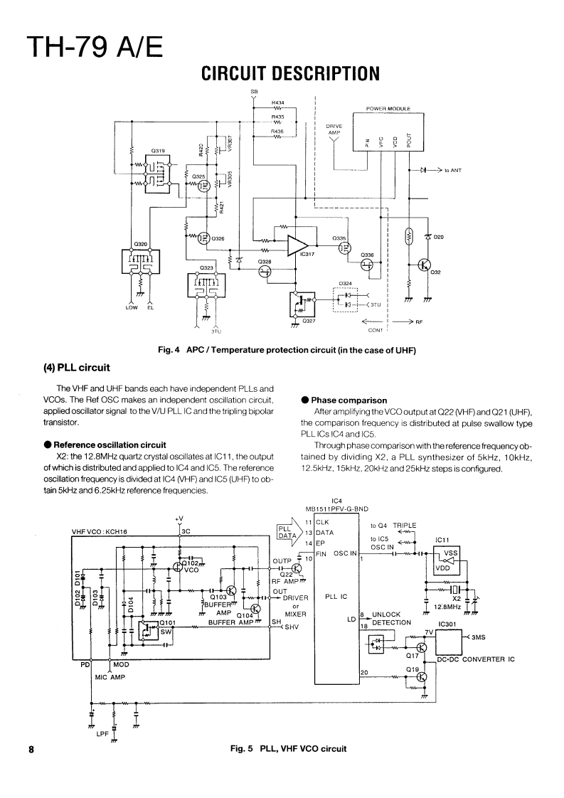
第8页 / 共58页

第9页 / 共58页

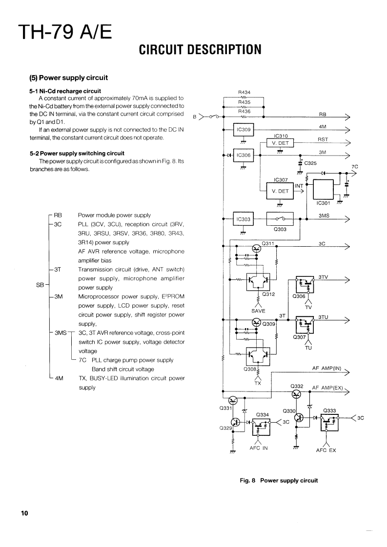
第10页 / 共58页
试读已结束,还剩48页,您可下载完整版后进行离线阅读
THE END
144/430(440)MHz FM DUAL BANDERTH-79 A/EKENWOODSERVICE MANUAL1994-6 PRINTED IN JAPANB51-8273-00(B)1401CONTENTSAntennaT90-0483-05DISASSEMBLY FOR REPAIR.....CIRCUIT DESCRIPTION.........Knob(VOL/PWR)DESCRIPTION OF COMPONENTS....15K29.4908-04SEMICONDUCTOR DATA......18Knob(ENC)PARTS LIST ...22K29-4907-04EXPLODED VIEW43PACKING45ADJUSTMENT....47Knob(VOL)TERMINAL FUNCTION530K29-4906-04WIRING DIAGRAM...55PC BOARD VIEWSKnob(PTT etc)K29-4909-02TX-RX UNITO57-440X-XX)(C/7)57TX-RX UNITX57-440X-XX)(D/7)57Front glassTX-RX UNITX57-440X-XX闪(E/7刀m59Knob(LOCK)B10-1214-24K29-4910-049TX-RX UNITOX57-440X-XX)(F/7)..CapMIC/SP)41444*60B09-0342-03TX-RX UNIT(X57-440X-XX)(G/7).....61TX-RX UNIT(X57-440X-XX)(A/7)....63Knob(KEY TOP)K29-4912-03TX-RX UNIT(X57-440X-XX)(B/7)........67SCHEMATIC DIAGRAM........71BLOCK DIAGRAM......81KENWOODCTCSS UNITX52-3290-00):TSU-8......83SC-41/42/43S0 FT CASE曰…83BT-9(BATTERY CAS83Plastic cabinet assy02-1806-03:K,PSPECIFICATIONSBACK COVERa02-1807-03:M.M2M3.M4,XA02-1844-03:T.E,E2,E3.E9Photo is TH-79A.
请登录后查看评论内容