TS950-Roofing-Filter-使用说明书手册

TS950-Roofing-Filter-使用说明书手册-找手册网
TS950-Roofing-Filter-使用说明书手册
此内容为付费资源,请付费后查看
1921
付费资源

第1页 / 共5页

第2页 / 共5页

第3页 / 共5页

第4页 / 共5页

第5页 / 共5页
已完成全部阅读,共5
THE END
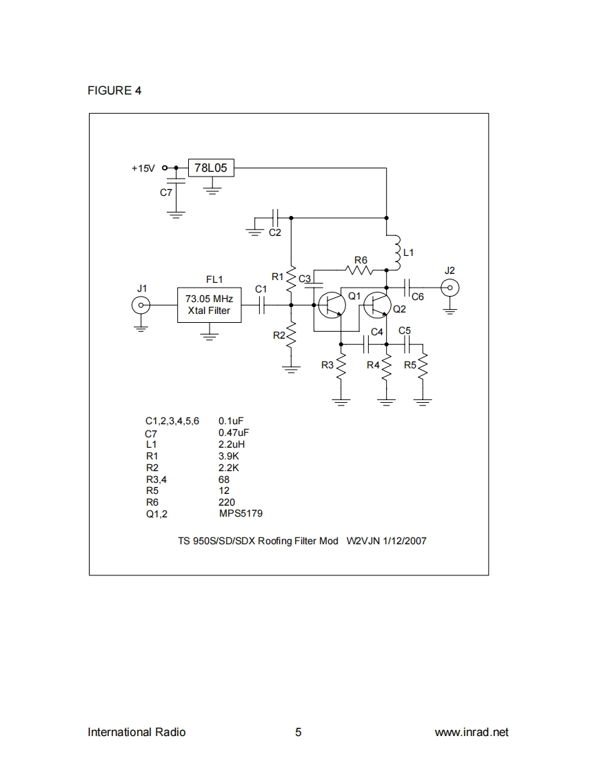
PO Box 2110,Aptos CA95001,USAtel1-831-462-5511fax:1-831-6121815e-mail:sales@inrad.net web:www.inrad.netinternational radioTS 950S,SD,SDX Roofing Filter Mod Installation Instructions.The TS 950 roofing filter mod consists of a 6 pole,4 to 5 kHz wide filter followedby a high dynamic range feedback amplifier.The amplifier provides enough gainto override the filter insertion loss.The plot below shows the sweep frequency response of the front end and first IFfilter installed in a TS 950SDX radio.The wider curve is the OEM response andthe narrow curve is with the INRAD roofing filter mod added.A dBMARCONI-10.0Atten 10dB 50oTG -10.0dBm Ext etd 2382-20.0-30.0-40.0-50.0-60.0-70.01-80.01-90.0-100.0-110.0DADDDRef73.0500MHz10.OkHz/div Res bw1kHzAvg 2Inc10kHz50ms /div Vid bw 700HzFIGURE 1The result of the bandwidth improvement shown above is the reduction of closein intermodulation from multiple signals.The IMD dynamic range will beimproved 5 to15 dB for some signal spacings.Also,the blocking dynamic rangewill be improved up to 10 dB for close in signals.International Radio1www.inrad.net
喜欢就支持一下吧
评论 抢沙发

请登录后发表评论

    请登录后查看评论内容