

第1页 / 共92页

第2页 / 共92页

第3页 / 共92页

第4页 / 共92页

第5页 / 共92页

第6页 / 共92页

第7页 / 共92页

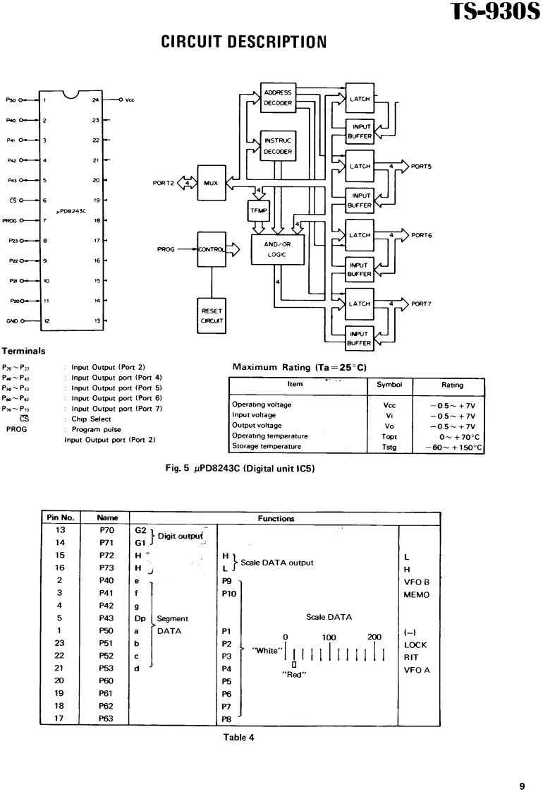
第8页 / 共92页

第9页 / 共92页

第10页 / 共92页
试读已结束,还剩82页,您可下载完整版后进行离线阅读
THE END
KENWOODSERVICE MANUALTS-930SSP.930,AT-930,S0-1HF TRANSCEIVER2090:.CONTENTSSPECIFICATIONS....................2MAIN ENCODER UNIT(X54-1680-0O)+-.···40CIRCUIT DESCRIPTION3RIT ENCODER UNIT (X54-1690-00)...40FILTER DATA20SIGNAL UNIT (X57-1000-11)41SEMICONDUCTOR DATA21PARTS LIST.................…45OUTSIDE VIEWS.........28PACKING........2……59PC BOARD VIEWS行名+队外章DISASSEMBLY..................60LPF UNIT (X51.128000:5029ADJUSTMENT .......63SW UNIT(X41-141000)·.30,31LEVEL DIAGRAM.,.·78,79POWER SUPPLY UNIT (X43-1430-00).--....32,33BLOCK DIAGRAM80RF UNIT(X441490-00):...32,33SP930.81PLL UNIT(X50-188000).i…于3435AT-930.,……·83DIGITAL UNIT (X54-1670-00)……36,37BACK COVERAT UNIT(X57-1010-00)...,.··.·38,39INTERCONNECT100 W FINAL UNIT.(X56-1430-001.......40SIGNAL UNIT SCHEMATIC.,.·.....·INSERT
请登录后查看评论内容