

第1页 / 共219页

第2页 / 共219页

第3页 / 共219页

第4页 / 共219页

第5页 / 共219页

第6页 / 共219页

第7页 / 共219页

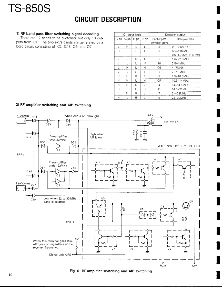
第8页 / 共219页

第9页 / 共219页

第10页 / 共219页
试读已结束,还剩209页,您可下载完整版后进行离线阅读
THE END
HF TRANSCEIVERTS-850SKENWOODSERVICE MANUAL1991-1 PRINTED IN JAPANB51-8098-00(0》1398KnobKnobK29-4512-04)×4(K23-0794-04}KnobKnobMetallic cabinet (Top)KnobKnob{K29-4513-04}(K29-4515-04)×3(A01-2014-01}(K29-3109-14)×2K29-4518-04}×5KnobCoverFront glassKnobK29-4636-04)F07-1327-04)(B10-1159-03)[K29-4610-04×21420000wa8B5KnobK29.4516-04)×3KnobKnobKnob(K29-4513-041×4(K21-0790-02(K29-4609-041Cylindrical receptacleKnob{E06-0858.151(K29-3109-14)×3Phone jackFoot(E11-0437-05{J02-0423-04)×2KnobKnobK29-4518-04)X3K29.4610-04)X3BCKnobKnobKnobKnobKnobKnob(K29-4623-031(K29.4624-03)(K29-4625-03(K29-4633-03)(K29-4631-031(K29-4632-03)KnobKnobKnobKnobKnobKnob(K29-4611-03)(K29-4612-03}[K29.4613-03K29-4634-03(K29-3200-03)(K29-3200-03)KnobKnobKnobKnobKnobKnob(K29-4614-03)1K29-4615-03){K29-4616-03)(K29-4635-03{K29-3200-03)(K29-3200-03KnobKnobKnobKnobKnobKnobK29-4617-03)[K29-4618-03)(K29-4619-03】(K29-4627-03(K29-3200-03(K29-3200-031KnobKnobKnobKnobKnobKnob(K29-4621-03)(K29-4620-03)(K29-4622-03(K29-4628-03】(K29-4629-03{K29-4630-031KnobKnobKnobKnobKnobKnob(K29-4505-041(K29-4506-041{K29-4507-041(K29-4626-03)(K29-4508-04}(K29-4509-04}
请登录后查看评论内容