

第1页 / 共71页

第2页 / 共71页

第3页 / 共71页

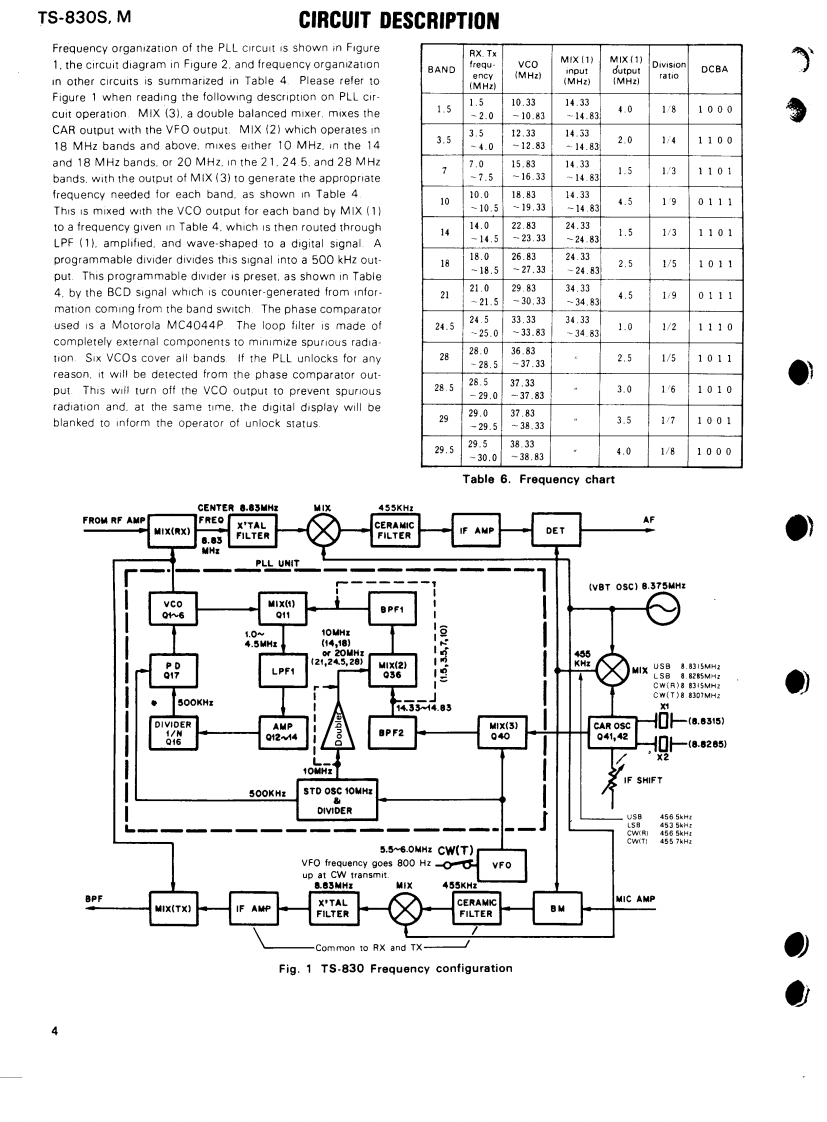
第4页 / 共71页

第5页 / 共71页

第6页 / 共71页

第7页 / 共71页

第8页 / 共71页

第9页 / 共71页

第10页 / 共71页
试读已结束,还剩61页,您可下载完整版后进行离线阅读
THE END
REVISED EDITIONKENWOODSERVICE MANUALModel TS-830S,M(M:EXCEPTUSA MARKETSP-230,VFO-230,AT-230,DS-2(W)TYPE ONLYSP.230TS-830SVF0-230AT-230CONTENTSTS-8305,MVF0-230SPECIFICATIONS2BLOCK DIAGRAM...45CIRCUIT DESCRIPTIONSPECIFICATIONS46AC VOLTAGE CONVERSIONCIRCUIT DESCRIPTION46INSIDE VIEWS.....10PC BOARD VIEWS49PC BOARD VIEWS11PARTS LIST.51PARTS LIST.ADJUSTMENTS............53PACKING......26PACKING53DISASSEMBLY......27AC VOLTAGE CONVERSION56ADJUSTMENTS.32SCHEMATIC DIAGRAM...57LOCATION OF ADJUSTMENTS42AT-230LEVEL DIAGRAM............4458TS-830M SCHEMATIC DIAGRAM61DS-2....60TS-830S SCHEMATIC ABBREVIATION62sP-230BACK COVERTS-830S SCHEMATIC DIAGRAM63BLOCK DIAGRAM..64HF SSB TRANSCEIVER
请登录后查看评论内容