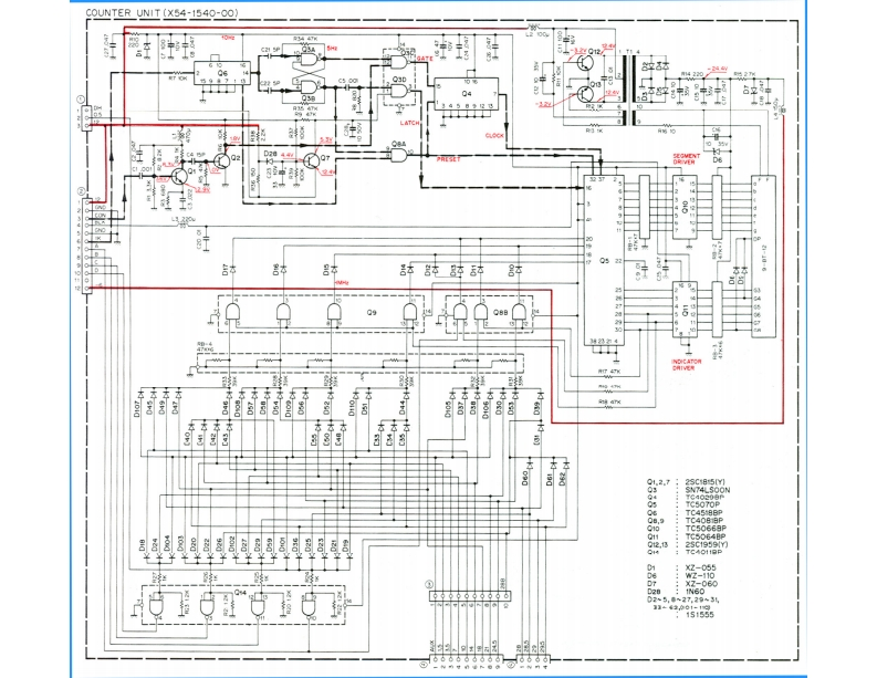
TS-830S_电器原理图_K4EAA找手册网31天前发布关注私信7.17MB3页037TS-830S_电器原理图_K4EAA此内容为付费资源,请付费后查看¥19¥21黄金会员免费钻石会员免费登录购买付费资源 第1页 / 共3页 第2页 / 共3页 第3页 / 共3页 已完成全部阅读,共3页 THE END建武 文本预览 COUNTER UNIT (X54-1540-00)447422930402044吉本0522太本本本09本方本本本玉32.72SC18150Y1Q2,325G1959Ym¥¥¥¥¥X2-055wz-110XZ-06011301-19,151555 查看更多 收起部分 喜欢就支持一下吧收藏
请登录后查看评论内容