

第1页 / 共64页

第2页 / 共64页

第3页 / 共64页

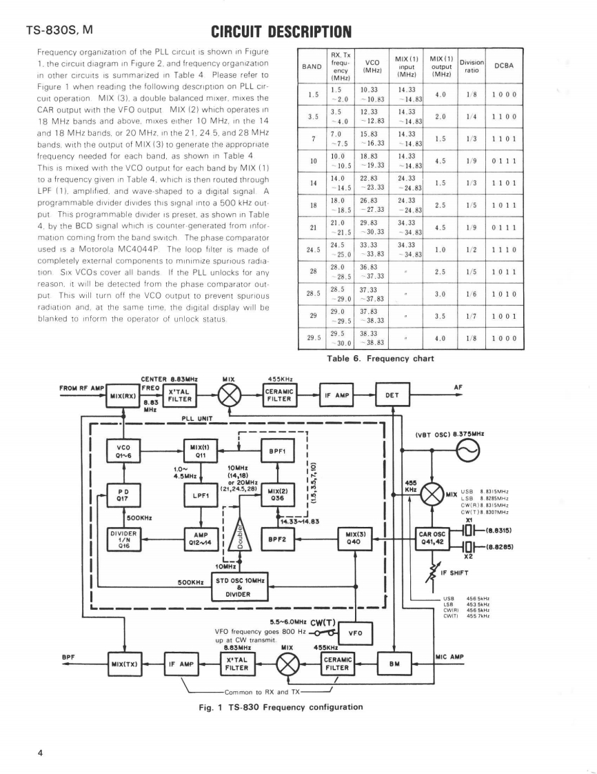
第4页 / 共64页

第5页 / 共64页

第6页 / 共64页

第7页 / 共64页

第8页 / 共64页

第9页 / 共64页

第10页 / 共64页
试读已结束,还剩54页,您可下载完整版后进行离线阅读
THE END
REVISED EDITIONKENWOODSERVICE MANUALModel TS-830S,M(:EXCEPTUSA MARKETSP-230,VFO-230,AT-230,DS-2(W)TYPE ONLYSP.230TS-830SVF0-230AT-230CONTENTSTS-830S,MVF0-230SPECIFICATIONS.2BLOCK DIAGRAM..............................45CIRCUIT DESCRIPTION411t13SPECIFICATIONS................46AC VOLTAGE CONVERSION...........................9CIRCUIT DESCRIPTION…46INSIDE VIEWS.10PC BOARD VIEWS..........................49PC BOARD VIEWS1PARTS LIST…5PARTS LIST......................................................18ADJUSTMENTS.…3PACKING…26PACKING…53DISASSEMBLY.....27AC VOLTAGE CONVERSION.......................56ADJUSTMENTS…32SCHEMATIC DIAGRAM57LOCATION OF ADJUSTMENTS.............................42AT-23058LEVEL DIAGRAM44TS-830M SCHEMATIC DIAGRAM.....................61DS.60TS-830S SCHEMATIC ABBREVIATION......................62SP.230BACK COVERTS-830S SCHEMATIC DIAGRAM........................63BLOCK DIAGRAM.....64HF SSB TRANSCEIVER
请登录后查看评论内容