

第1页 / 共150页

第2页 / 共150页

第3页 / 共150页

第4页 / 共150页

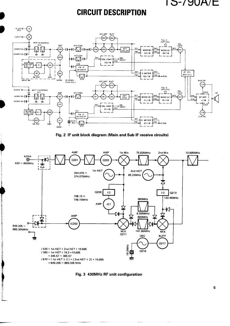
第5页 / 共150页

第6页 / 共150页

第7页 / 共150页

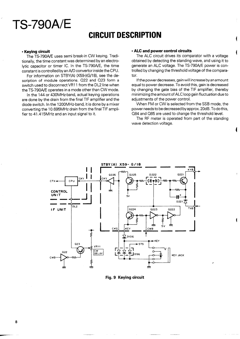
第8页 / 共150页

第9页 / 共150页

第10页 / 共150页
试读已结束,还剩140页,您可下载完整版后进行离线阅读
THE END
ALL MODE TRANSCEIVERTS-790A/EKENWOODSERVICE MANUALC1989-1 PRINTED IN JAPANB51-3723-00(0)839Knob (F.LOCK,144ATT,1200ALT)(K29-3002-14)×3Knob (POWER)(K29-0757-04)Metallic cabinet (Up side)Knob (MUTE,RIT,AGC FAST,NB)Badge(A01-1045-01)K29-3108-04)×5{B43-1095-14):TS-790AFront glass{B43-1096-14}:TS-790E(B10-0700-03):片420在OOD8P metal receptacle (MIC)Knob (SQL,IF SHIFT,RF PWR)Foot (Outside)(E06-0858-15)K29-3110-04}×4J02-0423-04)×2Foot (Inside)Phone jack (PHONES)Knob (AF,RIT,MIC)(J02-0424-04)×2(E11-0431-05)Knob (MAIN)(K29-3109-14)×4Knob (VOICE,PROC,ALC/RF)(K21-0784-02)K29-3001-14)×3BCKnob (OFFSET)Knob (TONE)Knob (CALL)Knob (FM/AUTO】Knob (MAIN)Knob (SUB)(K27-3002-04)(K27-3005-04K27-3004-04)(K27-3016-04)K27-3019-04)(K27-3023-04)Knob (SAT)Knob (CTCSS)Knob (STEP)Knob(USB/LSB)Knob (A/B)Knob (MAIN SUB)(K27-3006-04)K27-3003-04):TS-790AK27-3007-04)K27-3017-04)(K27-3020-04)(K27-3022-04)Knob (ALERT)Knob (CW/N)Knob (VFO/M)Knob (A=B)(K27-3030-04):TS.790g{K27-3018-04}K27-3024-04}(K27-3021-04}Knob (REV)Knob (SPLIT)Knob (SCAN)Knob (CH.Q)Knob (BAND)Knob (MHz)(K27-3008-04)(K27-3009-04)K27-3010-04K27-3025-04)(K27-3025-04)(K27-3025-04)Knob (M>V)Knob (M.IN)Knob (CLEAR){K27-3011-04)K27-3012-04}K27-3013-04)Knob (F)Knob (ENT){K27-3014-04){K27-3015-04)Photo is TS-790A.Caution1.Please connect the dummy load to ANT connector,whenadjust a transmit output.Caution2.In case of repair in the 1.2GHz final unit (option)afterrepaired a radio conform the receiver sensitivity.
请登录后查看评论内容