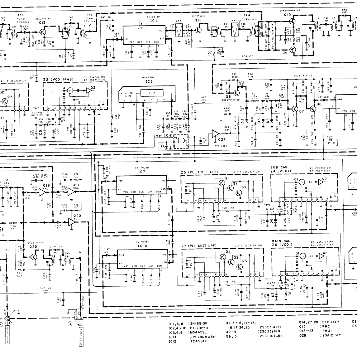
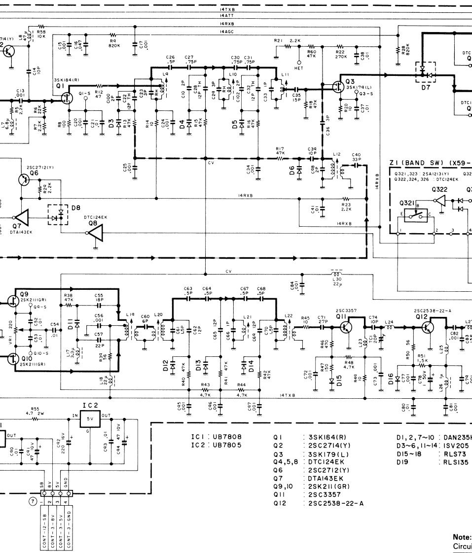
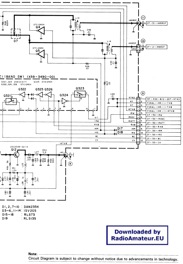
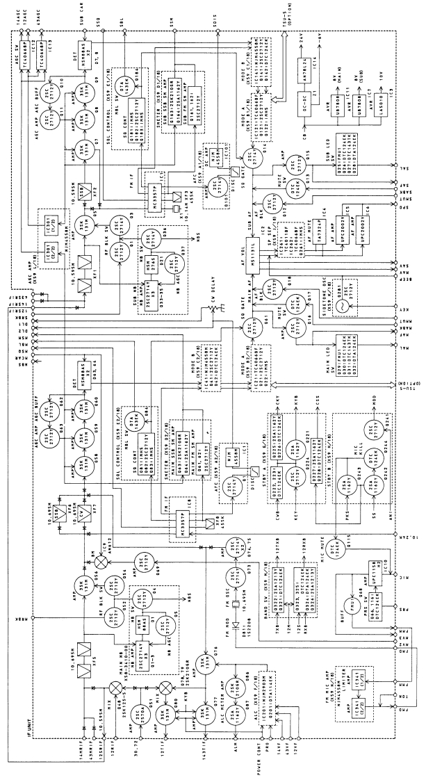
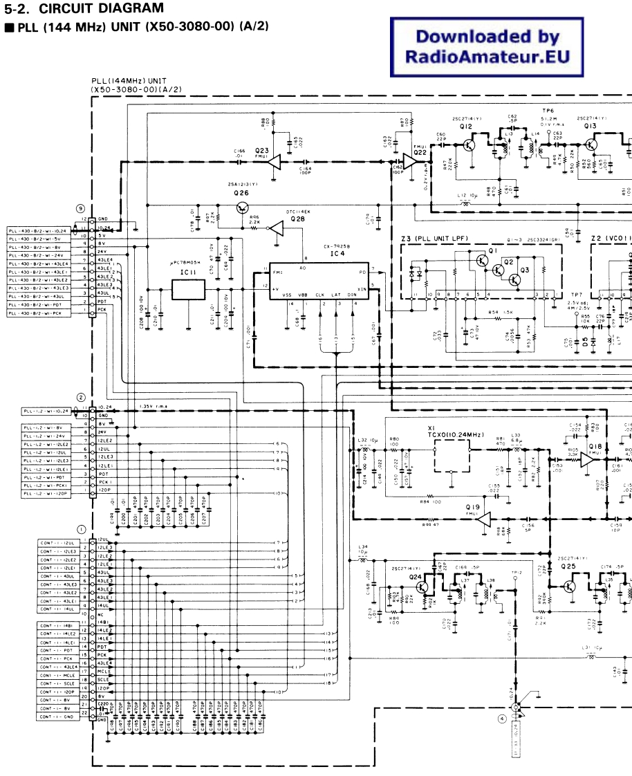
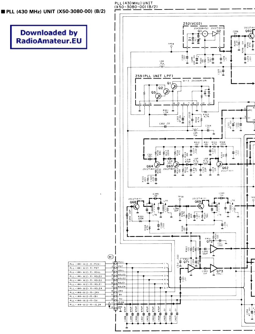
TS-790A_E_电器原理图找手册网30天前发布关注私信1.93MB25页035TS-790A_E_电器原理图此内容为付费资源,请付费后查看¥19¥21黄金会员免费钻石会员免费登录购买付费资源 第1页 / 共25页 第2页 / 共25页 第3页 / 共25页 第4页 / 共25页 第5页 / 共25页 第6页 / 共25页 第7页 / 共25页 第8页 / 共25页 第9页 / 共25页 第10页 / 共25页 试读已结束,还剩15页,您可下载完整版后进行离线阅读 THE END建武 文本预览 5.BLOCK DIAGRAM AND CIRCUITDIAGRAM5-1.BLOCK DIAGRAMDownloaded byRadioAmateur.EUS:二5:电-0406-71x 1 52-管6-0665-0549 查看更多 收起部分 喜欢就支持一下吧收藏
请登录后查看评论内容