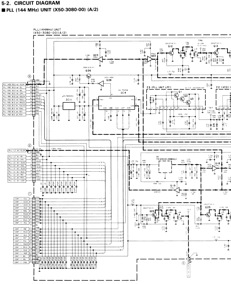
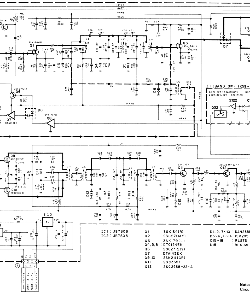
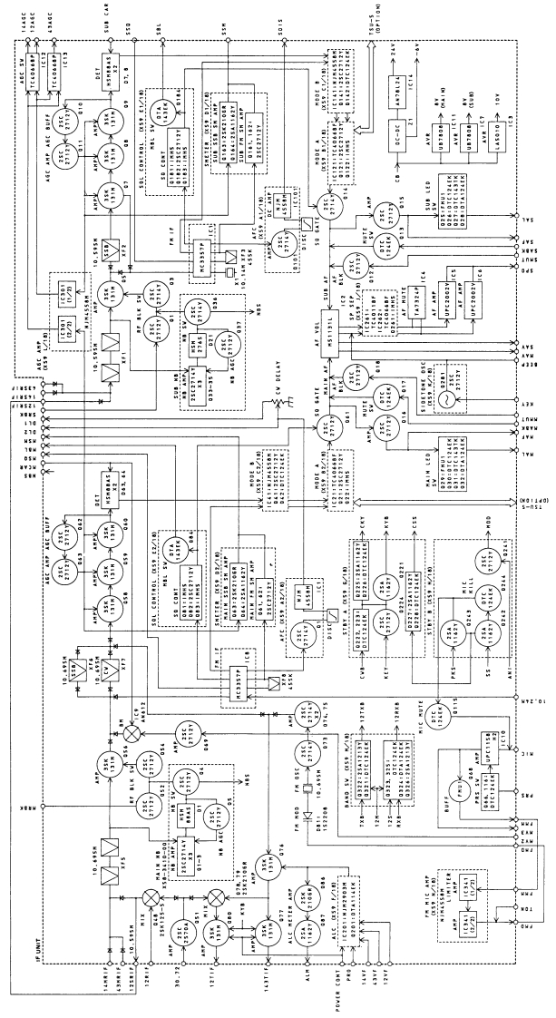
TS-790_维修电气原理图手册找手册网31天前发布关注私信1.92MB25页044TS-790_维修电气原理图手册此内容为付费资源,请付费后查看¥19¥21黄金会员免费钻石会员免费登录购买付费资源 第1页 / 共25页 第2页 / 共25页 第3页 / 共25页 第4页 / 共25页 第5页 / 共25页 第6页 / 共25页 第7页 / 共25页 第8页 / 共25页 第9页 / 共25页 第10页 / 共25页 试读已结束,还剩15页,您可下载完整版后进行离线阅读 THE END建武 文本预览 5.BLOCK DIAGRAM AND CIRCUIT DIAGRAM5-1.BLOCK DIAGRAM…0D-0501-91x哼GAE-46 AL EWFDO-0LGE-YSX IMN J00100147-0A4Q0-0405-0sx1INn 174 Q6T66-065-05Qo-050E-+X :IMn AS5537049 查看更多 收起部分 喜欢就支持一下吧收藏
请登录后查看评论内容