

第1页 / 共62页

第2页 / 共62页

第3页 / 共62页

第4页 / 共62页

第5页 / 共62页

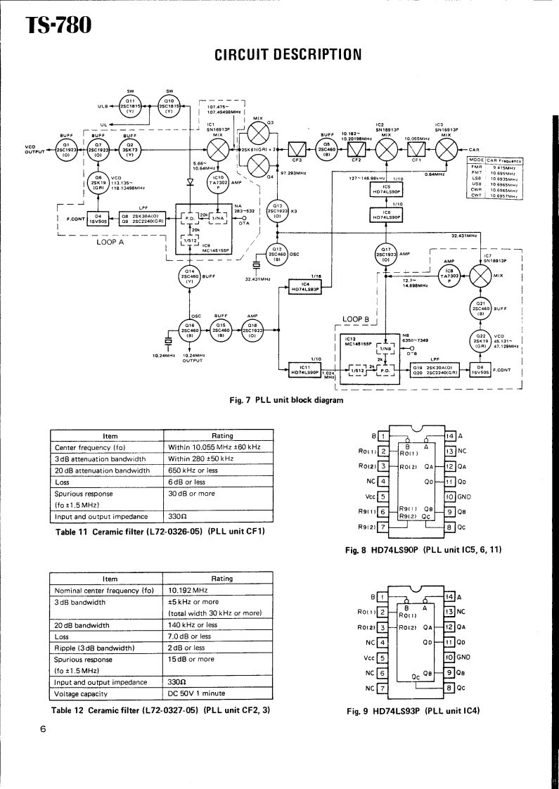
第6页 / 共62页

第7页 / 共62页

第8页 / 共62页

第9页 / 共62页

第10页 / 共62页
试读已结束,还剩52页,您可下载完整版后进行离线阅读
THE END
KENWOODSERVICE MANUALTS-780SP-71V-UHF ALL MODE DUO BANDERR43150a07f ::::61:8For Service Manuals ContactMAURITRON TECHNICAL SERVICES8 Cherry Tree Rd,ChinnorOxon OX9 4QYTet01844-351694Fax01844352554CONTENTSEmal:-enquiries@mauritron.oo.ukCIRCUIT DESCRIPTION......................2CW SHIFT (J253055-04)........27OPTION(DC CABLE),·····..11430 HET UN1T(X50-1790-00)...·.·...28PARTS LIST ............................12T×UNT(X56-1420-00).........28DISASSEMBLY.,…C0NTR0 L UNIT(X53-1240-XX).....29PACKING.22LEVELOIAGRAM.........................30PC BOARD VIEWSADJUSTMENT............................31SWITCH UNIT(X41-1370-XX)..,,.··.23REFERENCE DATA........................48ENC0 DER UNIT(w02-0324-05)··...··..23BLOCK DIAGRAM...···.49AVR UNIT(X43-1420-00.........24Sp7149RFUN1T(X441470-00)...24CIRCUIT DIAGRAM144 FINAL UNIT(X45-1200-00).....25IF UNIT ............................0430 FINAL UN1T(X45-1210-00)......25SCHEMATIC DIAGRAM.....................51CAR UNIT(X50-1780-00)......25CIRCUIT DIAGRAM1fUN1T(X48-1350-XX......26CONTROL,PLL and ENCODER..............52PLL UN1T(X50-1770-00)..........27SPECIFICATIONS.......·.·BACK COVER
请登录后查看评论内容