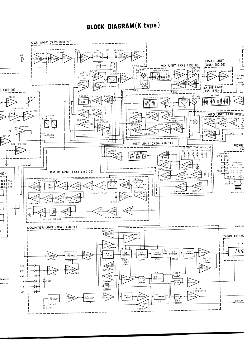
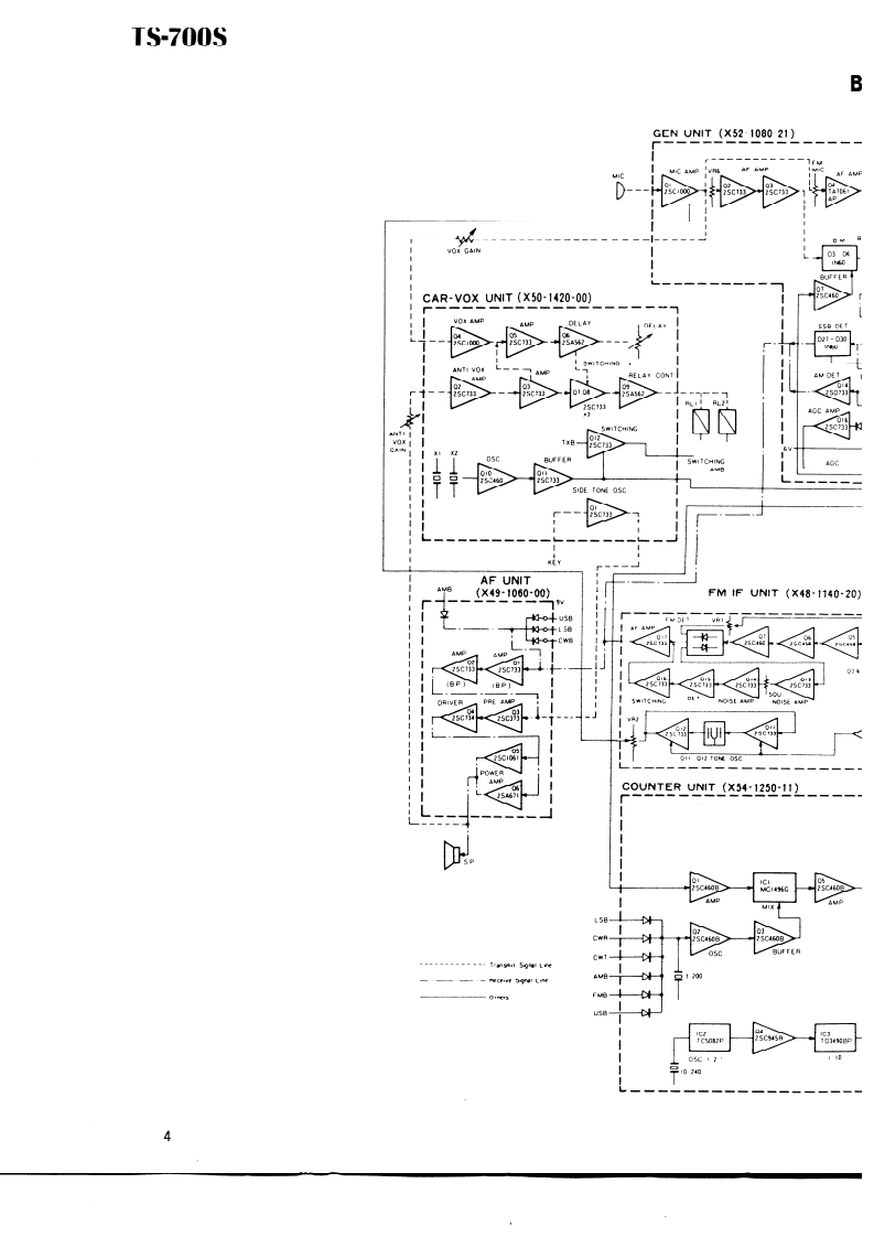
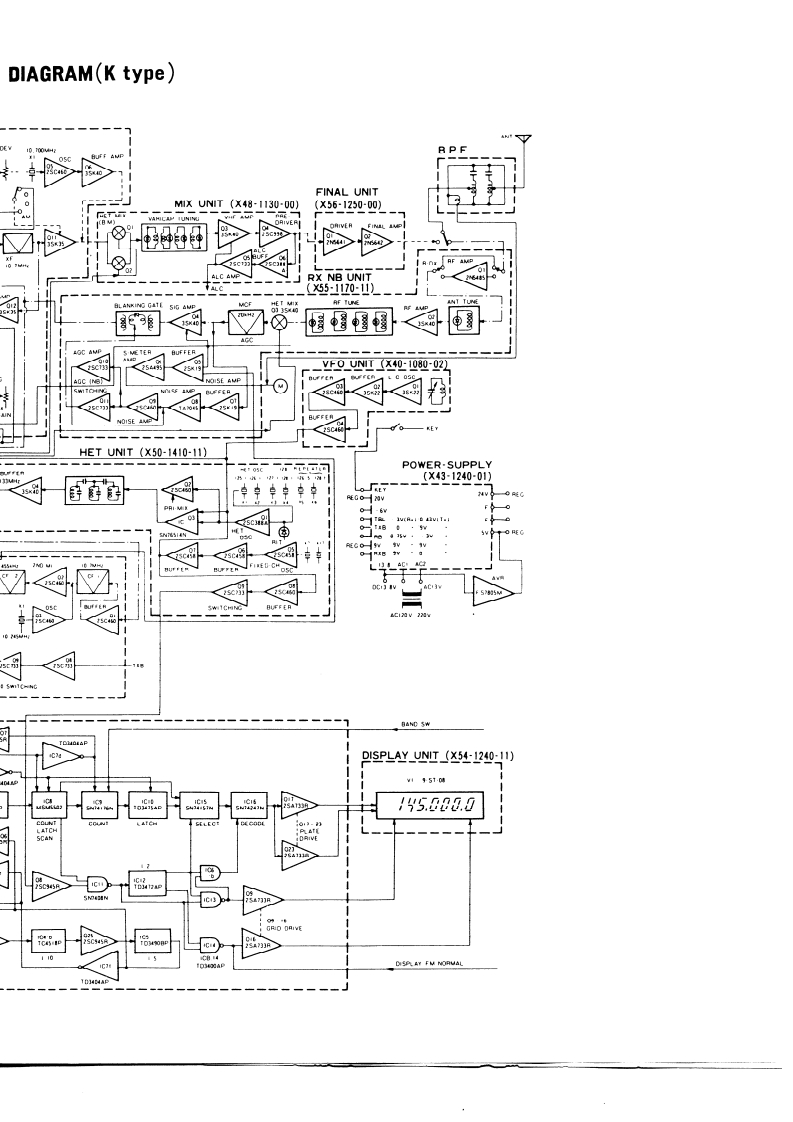
TS700SP维修手册找手册网30天前发布关注私信12.25MB74页047TS700SP维修手册此内容为付费资源,请付费后查看¥19¥21黄金会员免费钻石会员免费登录购买付费资源 第1页 / 共74页 第2页 / 共74页 第3页 / 共74页 第4页 / 共74页 第5页 / 共74页 第6页 / 共74页 第7页 / 共74页 第8页 / 共74页 第9页 / 共74页 第10页 / 共74页 试读已结束,还剩64页,您可下载完整版后进行离线阅读 THE END建武 文本预览 罗KENWOODSERVICE MANUALModel TS-700S(SP):4%30R9This photograph shows K type2m ALL MODE TRANSCEIVER 查看更多 收起部分 喜欢就支持一下吧收藏
请登录后查看评论内容