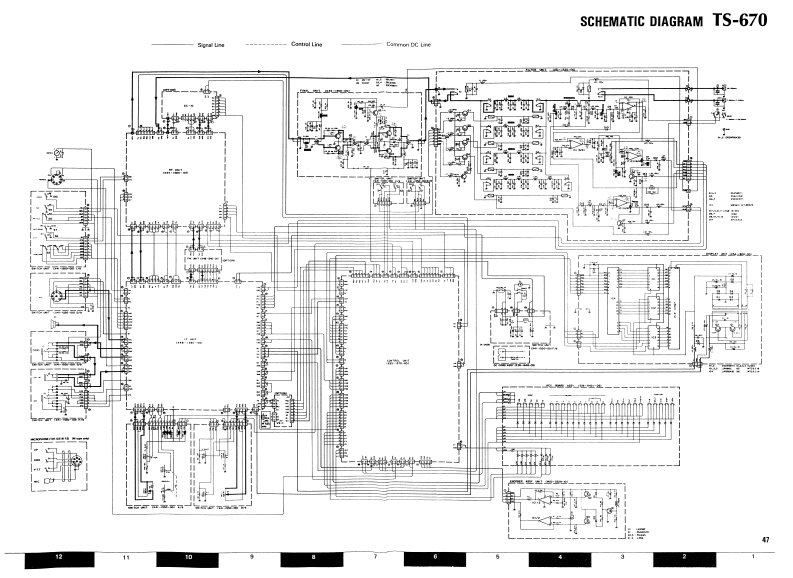
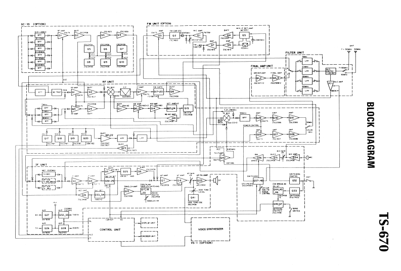
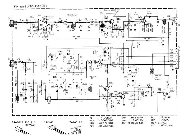
TS-670_电器原理图找手册网31天前发布关注私信1.58MB9页038TS-670_电器原理图此内容为付费资源,请付费后查看¥19¥21黄金会员免费钻石会员免费登录购买付费资源 第1页 / 共9页 第2页 / 共9页 第3页 / 共9页 第4页 / 共9页 第5页 / 共9页 第6页 / 共9页 第7页 / 共9页 第8页 / 共9页 第9页 / 共9页 已完成全部阅读,共9页 THE END建武 文本预览 SCHEMATIC DIAGRAM TS-670----------Costisl line出子色树百新餐eg探学型军Ct+10 查看更多 收起部分 喜欢就支持一下吧收藏
请登录后查看评论内容