TS-530D_S_SP_RF-unit_参考电器原理图

TS-530D_S_SP_RF-unit_参考电器原理图-找手册网
TS-530D_S_SP_RF-unit_参考电器原理图
此内容为付费资源,请付费后查看
1921
付费资源

第1页 / 共3页

第2页 / 共3页

第3页 / 共3页
已完成全部阅读,共3
THE END
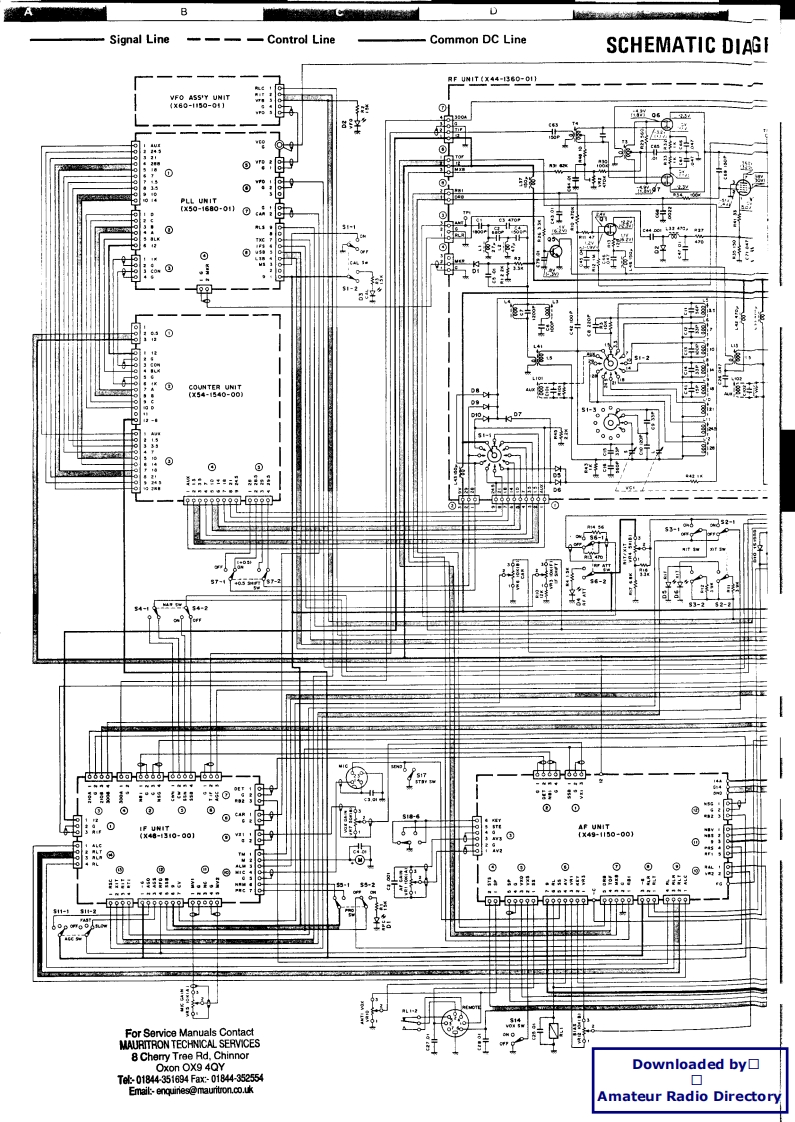
ABSignal Line-Control LineCommon DC LineSCHEMATIC DIAGIRF UNIT(x44-I360-011⊙0形,型研887696329tt.ee:日e日车料“0来名果票e3-1T-4h中hH6回-古的-⊙66的6的o0⊙⊙12259::甜,:i。¥,员[99999回H999911-tFor Service Manuals ContactMAURITRON TECHNICAL SERVICES8 Cherry Tree Rd.ChinnorOxon OX9 4QYDownloaded by▣T01844351694Fax01844-35255Email:-enquines@mauritron.co.ukAmateur Radio Directory
喜欢就支持一下吧
评论 抢沙发

请登录后发表评论

    请登录后查看评论内容