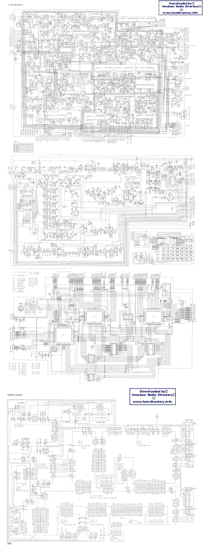
TS-450S_TS-690S_电器原理图找手册网30天前发布关注私信0.73MB1页024TS-450S_TS-690S_电器原理图此内容为付费资源,请付费后查看¥19¥21黄金会员免费钻石会员免费登录购买付费资源 第1页 / 共1页 已完成全部阅读,共1页 THE END建武 文本预览 1110年www.hamdirectory in fo54i5ceeeeeaii85cce进回“e 查看更多 收起部分 喜欢就支持一下吧收藏
请登录后查看评论内容