

第1页 / 共79页

第2页 / 共79页

第3页 / 共79页

第4页 / 共79页

第5页 / 共79页

第6页 / 共79页

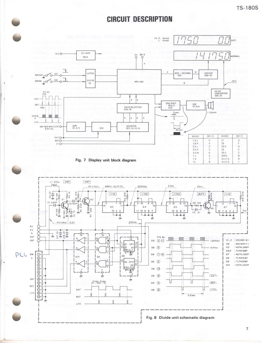
第7页 / 共79页

第8页 / 共79页

第9页 / 共79页

第10页 / 共79页
试读已结束,还剩69页,您可下载完整版后进行离线阅读
THE END
KENWOODSERVICE MANUALModel TS-180SVFO-180PS-30SP-180AT-180CONTENTSSPECIFICATIONS1LEVEL DIAGRAM…2FEATURES..............................................2ADJUSTMENTS.........CIRCUIT DESCRIPTION3WIRE HARNESS65SEMICONDUCTOR DATA13Vf0-180 PARTS LIST…67OUTSIDE VIEWS17VFO-180 SCHEMATIC.........69INSIDE VIEWS.....18PS-30…70PC BOARD/CIRCUIT DIAGRAM......................19PS-30/SP-180 PARTS LIST71PARTS LIST...................38SCHEMATIC DIAGRAM.....72PACKING..5AT-18073EXPLODED VIEW/DISASSEMBLY....51BLOCK DIAGRAM...75HF SSB TRANSCEIVER心9A
请登录后查看评论内容