

第1页 / 共179页

第2页 / 共179页

第3页 / 共179页

第4页 / 共179页

第5页 / 共179页

第6页 / 共179页

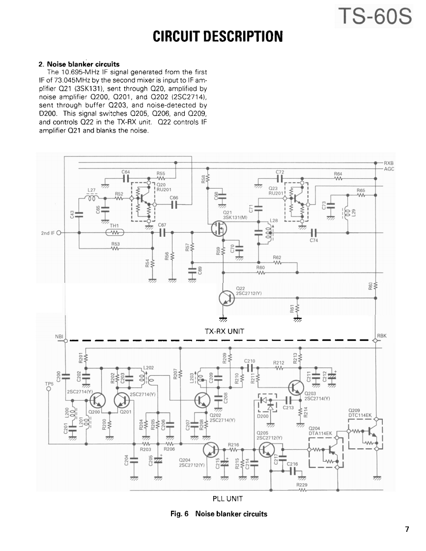
第7页 / 共179页

第8页 / 共179页

第9页 / 共179页

第10页 / 共179页
试读已结束,还剩169页,您可下载完整版后进行离线阅读
THE END
50MHz ALL MODE TRANSCEIVERKENWOODTS-60SSERVICE MANUAL1994-1 PRINTED IN JAPANB51-8252-00(0)1095Knob (Power)MicrophoneKnob (MHz)Knob (UP)(K29-4811-04)(T91-0528-05)(K29-4813-04)(K29-4815-04)Phone jackPanelKnob (F.LOCK)Knob (DOWN)Knob(E11-0454-05)(A62-0296-03)(K29-4812-04)(K29-4814-04)(K29-4817-04)×3KENWOODi4nKnob (AF/RIT)KnobFoot(K29-4809-04)×2K29-4816-04)X6(J02-0441-05)×4KnobKnob (SQL/IF SHIFT)Knob (MAIN)KnobK29-4817-04)x3(K29-4810-04)×2(K21-0793-04(K29-4818-04)×2CONTENTSCIRCUIT DESCRIPTION2DDS(X584020-00)…99SEMICONDUCTOR DATA............21VC0(X58-4120-001…100DESCRIPTION OF COMPONENTS.......25IF UNIT(X48-3110-00)104PARTS LIST......30ALC(X59-3990-00)…104EXPLODED VIEW…61TX-RX UNIT(X57-4570-00).1105PACKING…64DSST(X59-4000-00)109ADJUSTMENT.65SCHEMATIC DIAGRAM...................115TERMINAL FUNCTION..............83BLOCK DIAGRAM..........117CIRCUIT DIAGRAMS/PC BOARD VIEWSMB-13(MOUNTING BRACKET)....................19LCD ASSY(B38-0719-15).86PG-2Y (DC CABLE)...119FINAL UNIT(X45-3490-00}…89MC-47 (MULTI FUNCTION MICROPHONE)........120DIGITAL UNI (X46-318X-XX)..........................93SPECIFICATIONS121PLL UNIT(X50-3200-00}…,97
请登录后查看评论内容