

第1页 / 共37页

第2页 / 共37页

第3页 / 共37页

第4页 / 共37页

第5页 / 共37页

第6页 / 共37页

第7页 / 共37页

第8页 / 共37页

第9页 / 共37页

第10页 / 共37页
试读已结束,还剩27页,您可下载完整版后进行离线阅读
THE END
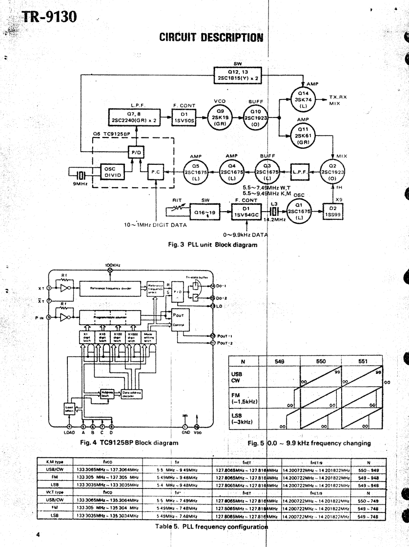
KENWOODSERVICE MANUALTR-91302m ALL MODE TRANSCEIVERCONTENTSCIRCUIT DESCRIPTION:2RX Unit(X5-1320-00,11)21PARTS LIST.........⊙CAR Unit(X50-1870-115161).…i…PACKING14Control Unitx53-1210-11.62)...22DISASSEMBLY.15ADJUSTMENTS…2PC BOARD VIEWSLEVEL DIAGRAM.31Switch Unit(X41-1400-11)…18BLOCK DIAGRAM......32Final Unit (x45-1240-11)18SCHEMATIC DIAGRAM.....33Drive Unit(X47-1090-11,614…19REFERENCE DATA.35PLLUnit(X50-1860-00)..20SPECIFICATIONS....BACK COVER
请登录后查看评论内容